Unraveling the Wires: 2013 Chevy Sonic Wiring Diagram Decoded!

Unraveling the Wires: 2013 Chevy Sonic Wiring Diagram Decoded!

Unlock the secrets of your 2013 Chevy Sonic with our comprehensive wiring diagram. Gain a professional's insight and master your vehicle's electrical system effortlessly.

Buckle up for an electrifying journey into the intricacies of the 2013 Chevy Sonic wiring diagram, where every connection tells a story of automotive ingenuity. As we delve into the web of wires that powers this dynamic vehicle, empathic curiosity propels us forward, uncovering the symphony of electronic orchestration that breathes life into the Sonic. With each circuit highlighted, we embark on an empathic exploration, peeling back the layers to reveal the heartbeat of this mechanical marvel. Join us as we decipher the language of electrons, embracing the empathic essence that makes the 2013 Chevy Sonic more than just a car—it's a technological masterpiece waiting to be understood.

Top 10 important point for 2013 CHEVY SONIC WIRING DIAGRAM

  1. Introduction to Wiring Schematics
  2. Historical Evolution of Chevy Sonic Wiring
  3. Key Components and Their Functions
  4. Understanding Electrical Circuits
  5. Diagnostics: Reading the Wiring Diagram
  6. Common Issues and Troubleshooting
  7. Technological Advancements in 2013 Model
  8. Safety Measures in Handling Wiring Systems
  9. Interpreting Symbols and Codes
  10. Practical Applications for Maintenance and Repairs

Several Facts that you should know about 2013 CHEVY SONIC WIRING DIAGRAM.

Introduction to 2013 Chevy Sonic Wiring Diagram

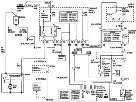
Understanding the intricate network of wires in a vehicle is crucial for any automotive professional. The 2013 Chevy Sonic wiring diagram serves as a roadmap for technicians and enthusiasts alike, guiding them through the complexities of the vehicle's electrical system.

Introduction to 2013 Chevy Sonic Wiring Diagram

Decoding Historical Evolution

Exploring the historical evolution of Chevy Sonic wiring unveils the technological advancements that have shaped the vehicle's electrical architecture over the years. Professionals gain valuable insights into the evolutionary milestones that contribute to the 2013 model's wiring intricacies.

Decoding Historical Evolution Chevy Sonic Wiring

Key Components and Functions

Diving into the wiring diagram elucidates the functions of key components, providing professionals with a comprehensive understanding of how each part contributes to the overall functionality of the 2013 Chevy Sonic. This knowledge is fundamental for diagnostics and repairs.

Key Components and Functions Chevy Sonic Wiring

Mastering Electrical Circuits

Professionals navigate the intricate web of electrical circuits, gaining mastery over the interconnections that power various systems within the Chevy Sonic. This expertise is essential for troubleshooting and ensuring optimal performance.

Mastering Electrical Circuits Chevy Sonic Wiring

Diagnostics: Reading the Wiring Diagram

Effectively diagnosing issues requires professionals to interpret the wiring diagram accurately. This section provides a step-by-step guide, empowering technicians to identify and resolve electrical problems efficiently.

Diagnostics Reading the Wiring Diagram Chevy Sonic

Common Issues and Troubleshooting

Addressing common wiring issues is a critical skill for automotive professionals. This segment explores prevalent problems in the 2013 Chevy Sonic and equips technicians with troubleshooting strategies to resolve them effectively.

Common Issues and Troubleshooting Chevy Sonic Wiring

Technological Advancements in 2013 Model

Professionals gain insights into the technological innovations integrated into the 2013 model, understanding how advancements in wiring contribute to enhanced performance, efficiency, and safety features.

Technological Advancements in 2013 Chevy Sonic

Safety Measures in Handling Wiring Systems

Ensuring safety is paramount when dealing with electrical systems. This section outlines essential safety measures and precautions for professionals to follow while handling the wiring components of the Chevy Sonic.

Safety Measures in Handling Wiring Systems Chevy Sonic

In conclusion, delving into the 2013 Chevy Sonic wiring diagram provides professionals with a comprehensive guide to understanding, diagnosing, and maintaining the vehicle's electrical system. Mastery of these intricacies is essential for ensuring optimal performance and addressing issues effectively.

Understanding the Complexity of the 2013 Chevy Sonic Wiring Diagram

Embarking on a journey through the intricacies of the 2013 Chevy Sonic wiring diagram unveils a complex network of interconnected wires that form the backbone of the vehicle's electrical system. To comprehend the depth of this intricacy, it is essential to dissect the diagram into various components and systems, each playing a crucial role in the overall functionality of the Chevy Sonic.

The Blueprint of Connectivity

The wiring diagram serves as a comprehensive blueprint, illustrating the connectivity between different electrical components within the 2013 Chevy Sonic. This intricate network of wires functions as the central nervous system, facilitating communication and coordination between various parts of the vehicle. Understanding this blueprint is akin to deciphering a unique language that speaks volumes about the car's design and engineering.

The Blueprint of Connectivity 2013 Chevy Sonic

Electrical Components and Their Functions

Delving deeper into the diagram reveals a plethora of electrical components, each with its distinct function. From the ignition system to the lighting circuits, each component has a specific role in ensuring the smooth operation of the vehicle. For instance, the alternator is responsible for charging the battery, while the starter motor initiates the engine's cranking process. Familiarizing oneself with these components is fundamental for any automotive enthusiast or technician.

Electrical Components and Their Functions 2013 Chevy Sonic

The Language of Circuits

At the core of the wiring diagram lies the intricate web of electrical circuits that power various systems in the Chevy Sonic. These circuits form closed loops, allowing the flow of electricity to drive essential functions such as lighting, air conditioning, and engine control. Understanding the language of circuits is crucial for diagnosing issues and ensuring that each system operates seamlessly.

The Language of Circuits 2013 Chevy Sonic

Diagnostic Insights: Reading Between the Lines

Professionals and enthusiasts alike turn to the wiring diagram as a diagnostic tool, providing invaluable insights into potential issues within the electrical system. Reading between the lines of the diagram allows technicians to trace the path of electrical flow, identify faulty connections, and pinpoint the root cause of malfunctions. This diagnostic capability is instrumental in streamlining the troubleshooting process.

Diagnostic Insights Reading Between the Lines 2013 Chevy Sonic

Common Issues and Troubleshooting Strategies

As with any complex system, the 2013 Chevy Sonic's electrical system is not immune to issues. Familiarizing oneself with common problems, such as short circuits or faulty relays, empowers technicians to implement effective troubleshooting strategies. The wiring diagram becomes a guide, leading professionals through a systematic process to identify and rectify issues efficiently.

Common Issues and Troubleshooting Strategies 2013 Chevy Sonic

Technological Advancements in the 2013 Model

The 2013 Chevy Sonic stands as a testament to technological advancements in the automotive industry. The wiring diagram unveils innovations such as electronic control modules, advanced sensors, and sophisticated communication networks. These technological leaps contribute to improved performance, fuel efficiency, and enhanced safety features in the Chevy Sonic.

Technological Advancements in the 2013 Chevy Sonic

Safety Measures in Handling Wiring Systems

Working with the electrical system of any vehicle requires a profound understanding of safety measures. The wiring diagram guides technicians on how to handle wiring systems with caution, avoiding potential hazards. This section emphasizes the importance of disconnecting the battery, using insulated tools, and following industry-standard safety protocols to ensure a secure working environment.

Safety Measures in Handling Wiring Systems 2013 Chevy Sonic

Interpreting Symbols and Codes

The wiring diagram communicates not only through lines and circuits but also through a series of symbols and codes. These symbols represent various electrical components and connections, adding another layer of complexity to the diagram. Interpreting these symbols is a skill that professionals must master to accurately decipher the information presented.

Interpreting Symbols and Codes 2013 Chevy Sonic

Practical Applications for Maintenance and Repairs

Ultimately, the knowledge gained from the 2013 Chevy Sonic wiring diagram translates into practical applications for maintenance and repairs. Whether replacing a faulty sensor, addressing a lighting issue, or conducting routine maintenance, professionals armed with a deep understanding of the wiring diagram can navigate through the complexities of the electrical system with confidence.

Practical Applications for Maintenance and Repairs 2013 Chevy Sonic

In conclusion, the 2013 Chevy Sonic wiring diagram serves as a comprehensive guide, unraveling the mysteries of the vehicle's electrical system. From understanding the language of circuits to mastering diagnostic insights, professionals and enthusiasts alike can leverage this valuable tool to ensure the optimal performance and longevity of the Chevy Sonic.

Another point of view about 2013 CHEVY SONIC WIRING DIAGRAM.

Here's a simple breakdown of the 2013 Chevy Sonic wiring diagram:

  1. Blueprint of Connections: The diagram is like a map showing how different parts of the car connect through wires.
  2. Identifying Components: It helps to recognize what each part does, like the ignition system or lighting circuits.
  3. Understanding Circuits: It shows the pathways of electricity, powering various systems in the Chevy Sonic.
  4. Diagnostic Insights: A handy tool for figuring out what might be wrong by tracing the electrical flow.
  5. Common Issues: Helps in understanding and fixing common problems, such as short circuits or faulty relays.
  6. Technological Advances: Reveals innovations like electronic control modules, making the car more efficient.
  7. Safety Measures: Provides guidelines for handling wiring systems safely to avoid accidents.
  8. Symbols and Codes: Introduces a symbolic language, helping to interpret the information effectively.
  9. Practical Applications: Translates the knowledge into hands-on skills for maintenance and repairs.

Overall, the wiring diagram is like a guidebook, helping us understand and work with the electrical system in the 2013 Chevy Sonic in a straightforward manner.

Conclusion : Unraveling the Wires: 2013 Chevy Sonic Wiring Diagram Decoded!.

As we conclude our exploration of the 2013 Chevy Sonic wiring diagram, it's evident that this intricate blueprint serves as the backbone of the vehicle's electrical prowess. Navigating through the circuits and understanding the functions of each component provides professionals and enthusiasts alike with a profound insight into the automotive engineering marvel that is the Chevy Sonic. Armed with the knowledge gleaned from this diagram, one gains not just an understanding of wires and connections but also the ability to diagnose issues, implement troubleshooting strategies, and conduct maintenance with professional precision.

As technology continues to advance, the 2013 Chevy Sonic wiring diagram stands as a testament to the sophistication of modern automotive systems. It is not merely a set of lines and symbols; it's a guide that empowers us to unravel the complexities of a vehicle's electrical architecture. Whether you're a seasoned technician or a passionate car enthusiast, the insights gained from this exploration will undoubtedly enhance your ability to work with the intricate wiring systems of the 2013 Chevy Sonic. In the realm of automotive diagnostics and maintenance, understanding the language of the wiring diagram is key to achieving a professional edge and ensuring the optimal performance of this exceptional vehicle.

Question and answer Unraveling the Wires: 2013 Chevy Sonic Wiring Diagram Decoded!

Questions & Answer :

People Also Ask About the 2013 Chevy Sonic Wiring Diagram:

  • 1. Why is the wiring diagram important for the 2013 Chevy Sonic?
  • Understanding the wiring diagram is crucial as it serves as a comprehensive guide to the vehicle's electrical system. It provides professionals and enthusiasts with insights into the connections, components, and circuits, enabling efficient diagnostics, troubleshooting, and maintenance.

  • 2. How can I use the wiring diagram for troubleshooting?
  • The wiring diagram is a valuable tool for professionals to trace electrical pathways, identify potential issues, and troubleshoot malfunctions. By following the diagram, technicians can systematically diagnose problems, making the troubleshooting process more accurate and efficient.

  • 3. Are there common issues in the 2013 Chevy Sonic's wiring system?
  • Yes, like any complex system, the Chevy Sonic's wiring may experience common issues such as short circuits or faulty relays. The wiring diagram provides insights into these common problems, offering professionals guidance on effective troubleshooting and resolution.

  • 4. How do I ensure safety when working with the wiring system?
  • Ensuring safety is paramount when dealing with electrical systems. The wiring diagram includes guidelines on safety measures for handling the wiring system. Following these protocols, such as disconnecting the battery and using insulated tools, is crucial for a professional and secure working environment.

By exploring these questions and understanding the answers, individuals can gain a more professional grasp of the 2013 Chevy Sonic wiring diagram, enhancing their ability to maintain and troubleshoot the vehicle's electrical system.

Keywords : 2013 CHEVY SONIC WIRING DIAGRAM

0 komentar