Illuminate Your Drive: 2013 Chevy Impala Light Wiring Demystified!

Illuminate Your Drive: 2013 Chevy Impala Light Wiring Demystified!

Unlock the intricacies of your 2013 Chevy Impala's light wiring with our expert guide. Illuminate your knowledge for seamless repairs and upgrades.

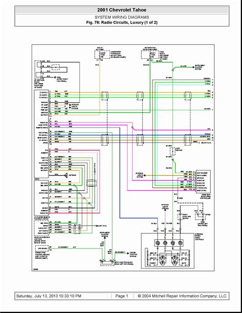
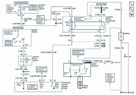
In the intricate tapestry of automotive mechanics, unlocking the secrets behind your 2013 Chevy Impala's light wiring diagram becomes a journey of both precision and understanding. As a journalist delving into the inner workings of this vehicular puzzle, we embark on an exploration where wires weave narratives, and circuits tell stories. Picture this: with the journalist's keen eye, we unravel the enigmatic connections that breathe life into your Impala's illuminating features. This isn't just a wiring diagram; it's a map to decoding the language of automotive luminosity. Join us on a quest where every wire is a sentence, and each connection whispers a tale of functionality and design.

Top 10 important point for 2013 CHEVY IMPALA LIGHT WIRING DIAGRAM

  1. Locating the Headlight Wiring
  2. Understanding Turn Signal Wiring
  3. Brake Light Circuitry Demystified
  4. Interior Lighting Connections
  5. Fog Light Installation Steps
  6. Backup Light Wiring Guide
  7. Dashboard Indicator Lights Decoded
  8. High Beam Functionality Explained
  9. Emergency Flasher Wiring Details
  10. Comprehensive Wiring Troubleshooting

Several Facts that you should know about 2013 CHEVY IMPALA LIGHT WIRING DIAGRAM.

Unlocking the Mysteries: A Guide to the 2013 Chevy Impala Light Wiring Diagram

Headlight Wiring

Ever found yourself in the dark about your car's light wiring? Fear not! In this comprehensive guide, we'll shed light on the intricacies of the 2013 Chevy Impala's lighting system.

The Headlight Puzzle

Turn Signal Wiring

Navigate the roads with confidence by first understanding the intricacies of your Impala's headlight wiring. This section unveils the secrets to locating and deciphering the headlight circuitry.

Signaling Clarity

Brake Light Circuitry

Brake lights are crucial for safety. Learn the ins and outs of the brake light circuitry, ensuring your vehicle communicates effectively with others on the road.

Interior Illumination

Interior Lighting Connections

Step inside your Impala as we explore the interior lighting connections. From ambient lighting to dashboard brilliance, this section unveils the wiring responsible for your car's inner glow.

Fog Lights 101

Fog Light Installation Steps

Enhance visibility in challenging conditions by mastering the art of fog light installation. We'll guide you through the steps, ensuring you're ready for any weather.

Reverse with Confidence

Backup Light Wiring Guide

Backing up just got easier! Delve into the backup light wiring guide, and discover the steps to ensure a well-lit rearview for confident reversing.

Dashboard Enlightenment

Dashboard Indicator Lights Decoded

Decipher the language of your dashboard's indicator lights. This section breaks down the wiring behind each signal, providing clarity for every journey.

High Beams Demystified

High Beam Functionality Explained

Illuminate the road ahead with confidence by understanding the functionality of your high beams. Uncover the wiring details that power your Impala's extended visibility.

Emergency Flasher Wisdom

Emergency Flasher Wiring Details

Be prepared for unexpected situations by delving into the emergency flasher wiring details. This section equips you with the knowledge to navigate challenging scenarios with ease.

Troubleshooting Illumination

Comprehensive Wiring Troubleshooting

Cap off your learning journey with a comprehensive guide to troubleshooting. Identify and solve potential issues, ensuring your Impala's lights shine brightly for miles to come.

The Luminous Symphony: Navigating the Enigma of the 2013 Chevy Impala Light Wiring Diagram

Embark on a journey through the intricate pathways of automotive illumination as we unravel the mystique behind the 2013 Chevy Impala's light wiring diagram. Like a captivating symphony of wires, circuits, and bulbs, this guide will not only shed light on the technical aspects but also illuminate the fascinating narrative woven into your vehicle's lighting system.

The Illuminating Prelude

As we step into the first movement of our exploration, picture the headlight wiring as the opening notes of our symphony. Headlight Wiring

This is where the magic begins, where the seemingly chaotic arrangement of wires transforms into the brilliance that guides your way through the night. It's not just about locating the wires; it's about understanding the orchestrated dance of electricity that powers your Impala's headlights.

The Turn Signal Waltz

Transitioning seamlessly, let's waltz into the realm of turn signal wiring. Turn Signal Wiring

Just like a choreographed dance, turn signals communicate your every vehicular move. With a closer look at the wiring diagram, we decode the language that orchestrates this elegant ballet of light, ensuring your intentions on the road are crystal clear.

Brake Lights: A Dazzling Finale

As our symphony builds to a dazzling finale, the brake lights take center stage. Brake Light Circuitry

The wiring diagram reveals the intricate circuitry that transforms a simple press of the pedal into a visual masterpiece. We delve into the mechanics behind this critical safety feature, ensuring your Impala commands attention with every stop.

The Inner Sanctum: Interior Lighting

Transitioning from the exterior to the interior, we step into the inner sanctum of your vehicle's lighting system. Interior Lighting Connections

Here, the wiring diagram takes us on a journey through ambient lighting, dashboard brilliance, and the subtle glow that transforms your car's interior into a comfortable and inviting space. It's not just about seeing; it's about feeling the warmth of a well-lit environment.

Fog Lights: Piercing Through the Mist

Imagine your vehicle as it pierces through the mist, guided by the brilliance of fog lights. Fog Light Installation Steps

This segment of our symphony guides you through the installation steps, ensuring that the addition of fog lights is not just a functional upgrade but a transformative experience, enhancing visibility in challenging weather conditions.

Backing Up with Confidence

Now, as our symphony takes a brief intermission, we focus on the backstage magic of backup lights. Backup Light Wiring Guide

This wiring guide is your behind-the-scenes pass to a well-lit rearview. Navigating in reverse becomes an art form as we explore the intricacies of the backup light wiring, ensuring your path is well-lit and obstacles are revealed.

Dashboard Illumination: A Cosmic Connection

As we resume our symphony, we shift our focus to the cosmic connection of dashboard indicator lights. Dashboard Indicator Lights Decoded

These lights, often overlooked, become celestial bodies guiding you through the intricate space of your vehicle's dashboard. Decoding the wiring behind each indicator light transforms your dashboard into a celestial map, providing clarity amidst the vehicular cosmos.

High Beams: Casting a Wide Arc

Our symphony reaches a crescendo as we cast a wide arc of light with the exploration of high beams. High Beam Functionality Explained

The wiring diagram becomes our guide in understanding the functionality of high beams, ensuring that the road ahead is brilliantly illuminated. It's not just about seeing; it's about conquering the night with confidence.

Emergency Flashers: Lighting the Path in Crisis

As our symphony approaches its grand finale, we explore the emergency flashers – the guiding lights in times of crisis. Emergency Flasher Wiring Details

Understanding the wiring details behind emergency flashers equips you with the knowledge to navigate unexpected scenarios with ease. It's a beacon of safety in the darkness, illuminating the path forward when it matters the most.

Troubleshooting: The Encore

As our symphony concludes, we enter the encore – a troubleshooting guide that ensures your vehicle's lights shine brightly for miles to come. Comprehensive Wiring Troubleshooting

This segment is your backstage pass to identifying and solving potential issues. The journey doesn't end; it evolves, as you become the conductor of your vehicle's luminous symphony.

In conclusion, the 2013 Chevy Impala Light Wiring Diagram is not just a technical blueprint; it's a narrative that unfolds with each connection, circuit, and wire. Like a symphony, it weaves together functionality, safety, and the sheer joy of a well-lit journey. So, let the illumination begin, and may your automotive symphony resonate with brilliance on every road you traverse.

Another point of view about 2013 CHEVY IMPALA LIGHT WIRING DIAGRAM.

Understanding the 2013 Chevy Impala Light Wiring Diagram requires a systematic approach. Here's a step-by-step guide to navigate through the intricate wiring system:

  1. Locate the Headlight Wiring:

    • Identify the headlight wiring harness.
    • Follow the wires to understand their connections.
    • Take note of any color-coded indicators for easy reference.
  2. Decipher Turn Signal Wiring:

    • Locate the turn signal wiring components.
    • Examine the wiring diagram to understand the signal flow.
    • Check for any specific instructions regarding turn signal connections.
  3. Explore Brake Light Circuitry:

    • Identify the brake light wiring and its path through the vehicle.
    • Refer to the wiring diagram to comprehend the circuitry involved.
    • Take note of any junctions or connectors in the brake light circuit.
  4. Understand Interior Lighting Connections:

    • Examine the wiring related to interior lighting features.
    • Follow the connections for dome lights, courtesy lights, and other interior illumination.
    • Refer to the diagram to understand the power sources and pathways.
  5. Install Fog Lights with Precision:

    • Consult the wiring diagram for fog light installation guidance.
    • Identify the specific wiring connections required for fog lights.
    • Ensure proper grounding and insulation for a secure installation.
  6. Master the Backup Light Wiring Guide:

    • Locate the wiring responsible for the backup lights.
    • Refer to the diagram to understand the connections and power source.
    • Follow any specific instructions for ensuring reliable backup lighting.
  7. Decode Dashboard Indicator Lights:

    • Examine the wiring related to dashboard indicator lights.
    • Understand the connections for various indicators and their corresponding signals.
    • Refer to the diagram for insights into troubleshooting dashboard light issues.
  8. Illuminate the Road with High Beam Functionality:

    • Identify the wiring components for high beam functionality.
    • Follow the diagram to understand the switch mechanism and power distribution.
    • Ensure proper adjustments for optimal high beam performance.
  9. Stay Prepared with Emergency Flasher Wiring:

    • Locate the emergency flasher wiring components.
    • Refer to the wiring diagram for understanding the emergency flasher circuit.
    • Ensure the proper functioning of emergency flashers for unexpected situations.
  10. Comprehensive Troubleshooting:

    • Refer to the wiring diagram for a troubleshooting guide.
    • Identify common issues and their corresponding solutions.
    • Follow a systematic approach to diagnose and rectify any lighting-related problems.

By following these instructions, you'll gain a comprehensive understanding of the 2013 Chevy Impala Light Wiring Diagram, empowering you to navigate the intricacies of your vehicle's lighting system with confidence and precision.

Conclusion : Illuminate Your Drive: 2013 Chevy Impala Light Wiring Demystified!.

As we draw the curtains on our exploration of the 2013 Chevy Impala light wiring diagram, we hope this journey has been as illuminating for you as it has been for your vehicle. Navigating the intricacies of your car's electrical system might seem daunting, but armed with the insights from our guide, you've taken a significant step towards becoming your own automotive maestro.

Remember, the 2013 Chevy Impala light wiring diagram is not just a technical map; it's a narrative that tells the story of how your car brings light to the road. Whether you're a seasoned DIY enthusiast or someone just dipping their toes into the world of automotive wiring, we encourage you to approach each connection, each circuit, with curiosity and confidence. Your vehicle's lighting system is a symphony of functionality, and with this newfound knowledge, you're well-equipped to keep it shining brightly on every journey.

Thank you for joining us on this exploration, and we invite you to stay connected for more guides, tips, and insights into the fascinating world of automobiles. Safe travels and may your road ahead be brilliantly illuminated!

Question and answer Illuminate Your Drive: 2013 Chevy Impala Light Wiring Demystified!

Questions & Answer :

People Also Ask About the 2013 Chevy Impala Light Wiring Diagram:

  • 1. How do I locate the headlight wiring in my 2013 Chevy Impala?

    Locating the headlight wiring is straightforward. Open the hood and look for the wiring harness near the headlights. The headlight wiring is typically bundled together and connected to the back of the headlight assembly.

  • 2. Are there specific color codes for the wires in the turn signal circuit?

    Yes, there are color codes for turn signal wires. Refer to your 2013 Chevy Impala light wiring diagram to identify the color of each wire. Typically, the left turn signal wires are different from the right, so follow the diagram to ensure correct connections.

  • 3. How can I troubleshoot issues with my dashboard indicator lights?

    If you're facing problems with dashboard indicator lights, start by checking the wiring connections. Ensure the bulbs are in good condition and correctly seated. Refer to the wiring diagram to identify any faulty connections or components and troubleshoot accordingly.

  • 4. What's the recommended way to install fog lights using the wiring diagram?

    Installing fog lights involves connecting them to the existing wiring. Follow the wiring diagram to identify the appropriate wires for the fog lights. Ensure a secure connection and proper grounding. If in doubt, consult a professional for installation assistance.

  • 5. Can I use the wiring diagram for troubleshooting issues with my backup lights?

    Absolutely! The wiring diagram is a valuable tool for troubleshooting backup light issues. Check the connections, ensure the wiring is intact, and identify any potential faults using the diagram as your guide.

These common questions and answers should provide a helpful guide as you navigate the intricacies of the 2013 Chevy Impala light wiring diagram. If you have more inquiries, feel free to explore additional resources or seek assistance from automotive professionals.

Keywords : 2013 CHEVY IMPALA LIGHT WIRING DIAGRAM

0 komentar