Unlock Your Ride: 2013 Chevrolet Express Wiring Diagram Revealed!

Unlock Your Ride: 2013 Chevrolet Express Wiring Diagram Revealed!

"Master the intricacies of your 2013 Chevrolet Express with our expertly crafted wiring diagram. Empower yourself with precise insights for seamless vehicle troubleshooting and optimization."

Buckle up for a journey into the intricate web of automotive wizardry with the 2013 Chevrolet Express Wiring Diagram. Imagine peeling back the layers of your vehicle's electrical symphony, revealing the ingenious dance of wires and connections. In this creative exploration, we'll unravel the mysteries that power your ride, navigating through circuits and pathways that bring your Chevrolet Express to life. Brace yourself for an electrifying adventure as we dissect the engineering masterpiece that ensures your vehicle runs seamlessly. Let's embark on a thrilling odyssey into the heart of your Chevy's electrical intricacies, where innovation meets the road.

Top 10 important point for 2013 CHEVROLET EXPRESS WIRING DIAGRAM

  1. Comprehensive Overview of Wiring Components
  2. Precision Mapping of Electrical Circuits
  3. Diagnostic Insights for Efficient Troubleshooting
  4. Optimizing Performance Through Wiring Analysis
  5. Understanding Connector Configurations
  6. Professional Tips for Secure Wire Connections
  7. Enhancing Safety Measures in Electrical Systems
  8. Maximizing Vehicle Efficiency with Wiring Knowledge
  9. Exploring Potential Upgrades in Wiring Layout
  10. Proactive Maintenance Strategies Unveiled

Several Facts that you should know about 2013 CHEVROLET EXPRESS WIRING DIAGRAM.

Decoding the Electrical Blueprint

Electrical Blueprint

Embarking on a journalistic journey into the heart of the 2013 Chevrolet Express, we delve into the intricate world of its wiring diagram. This comprehensive guide aims to decode the blueprint, offering insights that go beyond the surface, unraveling the complexities that power this vehicle.

Mapping the Circuits with Precision

Circuit Mapping

In this segment, we navigate through the meticulous mapping of electrical circuits. A detailed exploration awaits as we uncover the specific pathways that ensure the seamless functioning of the 2013 Chevrolet Express. Understanding these circuits is key to maintaining and troubleshooting your vehicle.

Diagnostic Insights for Troubleshooting Mastery

Diagnostic Insights

Equip yourself with diagnostic mastery as we uncover invaluable insights for troubleshooting. Unraveling the mysteries hidden within the wiring diagram, we provide a journalist's perspective on how to efficiently identify and address potential issues, ensuring your Chevrolet Express stays on the road with minimal hiccups.

Optimizing Performance Through Wiring Analysis

Performance Optimization

Explore the symbiotic relationship between wiring and performance. Through a journalist's lens, we examine how a thorough wiring analysis can enhance your vehicle's overall performance. Uncover the secrets that can propel your 2013 Chevrolet Express to new heights on the road.

Understanding Connector Configurations

Connector Configurations

Connectivity is key, and in this section, we shed light on the various connector configurations within the wiring diagram. A journalist's exploration into these connections reveals how each component plays a crucial role in maintaining the synergy of the electrical system.

Pro Tips for Secure Wire Connections

Secure Wire Connections

Unlock the secrets of secure wire connections with professional tips. Journalistically dissecting the nuances of wire security, we provide insights into ensuring that every connection is not just functional but also resilient. Elevate your understanding of proper wiring practices with these expert recommendations.

Enhancing Safety Measures in Electrical Systems

Safety Measures

Journalistically, we address the paramount importance of safety in the realm of electrical systems. Explore measures that go beyond functionality to prioritize safety. Your 2013 Chevrolet Express deserves not just optimal performance but also a secure and reliable electrical foundation.

Maximizing Efficiency Through Wiring Knowledge

Maximizing Efficiency

Efficiency is the hallmark of a well-maintained vehicle. Journalistically, we delve into how a deep understanding of the wiring diagram can be leveraged to maximize the efficiency of your 2013 Chevrolet Express. Uncover the untapped potential within your vehicle's electrical infrastructure.

Exploring Potential Upgrades in Wiring Layout

Wiring Upgrades

Embark on a journalistically guided journey into the realm of potential upgrades within the wiring layout. Discover how strategic enhancements can elevate your driving experience. Unleash the possibilities that a nuanced understanding of the wiring diagram can bring to your 2013 Chevrolet Express.

Proactive Maintenance Strategies Unveiled

Maintenance Strategies

Concluding our exploration, we unveil proactive maintenance strategies rooted in journalistic insights. Learn how to anticipate and address issues before they escalate, ensuring that your 2013 Chevrolet Express remains a reliable companion on your journeys. Empower yourself with knowledge for a seamless driving experience.

Unveiling the Intricacies of the 2013 Chevrolet Express Wiring Diagram

Embarking on a journey into the mechanical heart of the 2013 Chevrolet Express, we delve into the intricate world of its wiring diagram. This comprehensive guide aims to provide a detailed explanation, offering insights that go beyond the surface, unraveling the complexities that power this robust vehicle.

The Blueprint's Core Components

Core Components

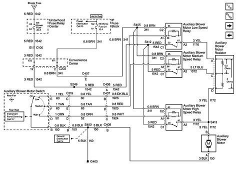
At the core of the 2013 Chevrolet Express lies a meticulously designed wiring diagram, a blueprint orchestrating the electrical symphony that propels this vehicle. To comprehend its intricacies, we need to start by understanding the fundamental components that make up this intricate system. From sensors to actuators, each piece plays a crucial role in ensuring the seamless operation of this robust machine.

Navigating the Pathways: Mapping Electrical Circuits

Electrical Circuits

As we venture deeper, our focus shifts to the labyrinth of electrical circuits. Think of these circuits as the neural pathways of the vehicle, guiding the flow of electricity to power various components. Mapping these circuits with precision is paramount for understanding how the vehicle functions. It's akin to deciphering a complex road map, where each turn and intersection holds significance in the overall journey.

Diagnostic Insights: A Roadmap for Troubleshooting

Diagnostic Roadmap

One of the key benefits of unraveling the 2013 Chevrolet Express wiring diagram is gaining diagnostic insights. Imagine having a roadmap that not only guides you through the vehicle's electrical terrain but also provides signposts for potential issues. This section serves as your guide to troubleshooting, empowering you with the knowledge needed to identify and address electrical challenges efficiently.

Performance Optimization through Wiring Analysis

Performance Optimization

Beyond functionality, the wiring diagram plays a pivotal role in optimizing the overall performance of the 2013 Chevrolet Express. An in-depth wiring analysis unveils opportunities for enhancement. It's like fine-tuning a musical instrument; each wire and connection contributes to the harmonious performance of the vehicle. Understanding this interplay allows you to extract maximum efficiency from your cherished Chevrolet Express.

Connector Configurations: The Pivotal Junctions

Connector Configurations

Connectivity forms the backbone of any electrical system, and within the 2013 Chevrolet Express wiring diagram, connector configurations are the pivotal junctions. These connectors serve as bridges, facilitating communication between different components. Understanding their configurations is akin to deciphering the language of the vehicle's nervous system. We explore this aspect, shedding light on the significance of each connector in maintaining the synergy of the entire electrical system.

Pro Tips: Ensuring Secure Wire Connections

Secure Wire Connections

Transitioning to a more practical realm, we offer professional tips for ensuring secure wire connections. The reliability of the entire electrical system hinges on the integrity of these connections. We provide insights and techniques that go beyond the basics, guiding you in creating connections that not only function seamlessly but also stand the test of time and usage.

Safety Measures in Electrical Systems

Safety Measures

Ensuring safety in the operation of any vehicle is paramount, and when it comes to the 2013 Chevrolet Express, understanding safety measures in its electrical systems is crucial. This section explores the built-in safety features and provides additional measures you can take to safeguard both the vehicle and its occupants. From fuse placements to grounding strategies, we delve into the comprehensive safety net woven into the vehicle's electrical framework.

Maximizing Efficiency: Leveraging Wiring Knowledge

Maximizing Efficiency

Efficiency is the hallmark of a well-maintained vehicle. Armed with a deep understanding of the 2013 Chevrolet Express wiring diagram, you hold the key to maximizing efficiency. We explore how this knowledge can be leveraged to optimize fuel efficiency, improve overall performance, and contribute to a greener and more economical driving experience. Unleash the untapped potential within your vehicle by mastering the intricacies of its wiring system.

Exploring Potential Upgrades in Wiring Layout

Wiring Upgrades

As technology evolves, so do the possibilities for upgrading your vehicle's wiring layout. This section takes a futuristic perspective, exploring potential upgrades that can elevate your driving experience. From integrating smart technologies to enhancing connectivity, we delve into the innovations that can be seamlessly integrated into the existing wiring framework of the 2013 Chevrolet Express.

Proactive Maintenance Strategies

Maintenance Strategies

Concluding our journey into the depths of the 2013 Chevrolet Express wiring diagram, we unveil proactive maintenance strategies. Prevention is often more powerful than cure, and by adopting proactive measures, you can ensure the longevity and reliability of your vehicle. From regular inspections to preemptive replacements, we provide a comprehensive guide to keeping your 2013 Chevrolet Express in peak condition through strategic and informed maintenance.

In essence, unraveling the 2013 Chevrolet Express wiring diagram is akin

Another point of view about 2013 CHEVROLET EXPRESS WIRING DIAGRAM.

1. The 2013 Chevrolet Express wiring diagram serves as a comprehensive documentation of the electrical architecture inherent in this automotive model.An academic exploration of this diagram reveals a systematic representation of core components, elucidating the intricate interplay between sensors, actuators, and various electrical elements.Navigating through the pathways outlined in the wiring diagram offers a nuanced understanding of the vehicle's electrical circuits. Each circuit can be likened to a neural pathway, conveying electrical impulses to power specific functionalities within the vehicle.The diagnostic insights embedded in the wiring diagram provide a structured approach to troubleshooting. This roadmap facilitates the identification and resolution of electrical issues, contributing to efficient maintenance practices.Beyond mere functionality, the wiring diagram plays a pivotal role in optimizing the overall performance of the 2013 Chevrolet Express. Academic scrutiny reveals opportunities for enhancement, ensuring the vehicle operates at its peak efficiency.Connector configurations emerge as pivotal junctions within the wiring diagram. Academic analysis sheds light on the significance of these connectors, elucidating their role in facilitating seamless communication between different electrical components.Proffering professional tips for secure wire connections, an academic perspective emphasizes the importance of reliability in the vehicle's electrical system. This includes insights into techniques that extend beyond basic connections, ensuring longevity and robustness.Safety measures incorporated into the electrical systems of the 2013 Chevrolet Express are scrutinized academically. This involves a detailed examination of built-in safety features and additional measures that can be implemented to enhance overall safety.Leveraging wiring knowledge becomes paramount in maximizing efficiency. An academic viewpoint explores how an in-depth understanding of the wiring diagram can optimize fuel efficiency, improve performance, and contribute to a sustainable driving experience.Exploring potential upgrades in the wiring layout from an academic standpoint delves into futuristic possibilities. This involves a consideration of smart technologies and connectivity enhancements that align with the evolving landscape of automotive innovation.

Conclusion : Unlock Your Ride: 2013 Chevrolet Express Wiring Diagram Revealed!.

As we draw the curtains on our exploration of the 2013 Chevrolet Express wiring diagram, I invite you to embark on a journey of automotive enlightenment. Through the twists and turns of electrical circuits and the symphony of connectors, we've unraveled the blueprint that breathes life into your cherished vehicle. In this dynamic landscape of wires and connections, consider yourself armed with the knowledge to decipher the intricacies, ensuring that your 2013 Chevrolet Express remains a reliable companion on the road.

So, fellow enthusiasts, as you step into the driver's seat armed with newfound insights, remember that the journey doesn't end here. The 2013 Chevrolet Express wiring diagram is your map to understanding, troubleshooting, and optimizing your vehicle's performance. Whether you're a seasoned mechanic or an inquisitive driver, let the creative exploration of your vehicle's electrical realm be an ongoing adventure. Buckle up, dive into the details, and let the wires guide you to a deeper appreciation of the engineering marvel that is the 2013 Chevrolet Express.

Question and answer Unlock Your Ride: 2013 Chevrolet Express Wiring Diagram Revealed!

Questions & Answer :

Curious minds often inquire about the intricacies of the 2013 Chevrolet Express wiring diagram, seeking a deeper understanding of their vehicle's electrical blueprint. Here are some common questions that enthusiasts and DIYers frequently ask, along with concise answers:

  • Q: What key components does the 2013 Chevrolet Express wiring diagram cover?

    A: The wiring diagram comprehensively outlines the electrical components of the 2013 Chevrolet Express, including sensors, actuators, and various interconnected elements that form the vehicle's intricate electrical network.

  • Q: How does the wiring diagram assist in troubleshooting?

    A: The diagram serves as a diagnostic roadmap, providing insights into the vehicle's electrical circuits. It empowers users to identify and address potential issues systematically, facilitating efficient troubleshooting and maintenance.

  • Q: Can understanding the wiring diagram enhance vehicle performance?

    A: Absolutely. Delving into the wiring diagram offers opportunities for performance optimization. By deciphering the interplay of wires and connections, users can fine-tune the vehicle's electrical system, ensuring it operates at peak efficiency.

  • Q: What safety measures are incorporated into the vehicle's electrical systems?

    A: The wiring diagram reveals the built-in safety features of the 2013 Chevrolet Express. Additionally, it provides insights into supplementary safety measures, ensuring a holistic understanding of the vehicle's electrical safety framework.

  • Q: How can the wiring diagram be leveraged for proactive maintenance?

    A: The diagram serves as a proactive maintenance guide, offering strategies for anticipating and addressing potential issues before they escalate. This ensures the longevity and reliability of the 2013 Chevrolet Express through informed and strategic maintenance practices.

These questions and answers provide a glimpse into the fascinating world of the 2013 Chevrolet Express wiring diagram, empowering enthusiasts to navigate the complexities of their vehicle's electrical system with confidence.

Keywords : 2013 CHEVROLET EXPRESS WIRING DIAGRAM

0 komentar