"Unlock the secrets of your 2013 Chevrolet Silverado's wiring system with our expert guide. Gain professional insights for a seamless understanding and enhanced control over your vehicle's electrical setup."
Unlock the hidden mysteries beneath your 2013 Chevrolet Silverado's hood with our comprehensive instructions on the wiring diagram. Dive into the intricate network of connections that power your vehicle, as we guide you through the labyrinth of circuits and components. Discover the key to understanding your Silverado's electrical system with our step-by-step instructions, empowering you to navigate the intricate web of wires and harness the true potential of your truck. Whether you're a seasoned DIY enthusiast or a novice gearhead, our detailed guide ensures you'll master the intricacies of your Silverado's wiring like a pro. Ready to embark on a journey of automotive enlightenment? Let's start deciphering the language of wires!
Top 10 important point for 2013 CHEVROLET SILVERADO WIRING DIAGRAM
- Introduction to Silverado Wiring System
- Understanding Electrical Components
- Decoding Wiring Color Codes
- Mastering Circuit Diagrams
- Identifying Common Wiring Issues
- Proper Wire Splicing Techniques
- Optimizing Silverado's Power Distribution
- Advanced Troubleshooting Tips
- Securing Your Silverado's Wiring for Longevity
- Expert Insights on Upgrading Electrical Components
Several Facts that you should know about 2013 CHEVROLET SILVERADO WIRING DIAGRAM.
Exploring the Basics
Embark on a journey through the intricate world of the 2013 Chevrolet Silverado's wiring diagram. This comprehensive guide dives into the fundamental elements, providing a solid foundation for understanding your vehicle's electrical system.
Deciphering the Diagram
Unravel the complexity of the wiring diagram as we break down each component. Learn to read and interpret the symbols, lines, and notations, giving you the ability to navigate through the schematic with ease.
Color Codes Demystified
Delve into the significance of color codes in the Silverado's wiring. Understand the purpose behind different hues, empowering you to identify and trace wires accurately for seamless troubleshooting.
Common Wiring Issues
Explore the frequent challenges that Silverado owners face with their wiring. From loose connections to damaged wires, we address common issues and provide insights into diagnosing and resolving these problems effectively.
Mastering Circuit Diagrams
Gain expertise in deciphering circuit diagrams. We guide you through understanding the flow of electricity, enabling you to comprehend how different components work together within the Silverado's electrical system.
Optimizing Power Distribution
Maximize the performance of your Silverado by optimizing power distribution. Learn strategies to enhance the efficiency of your vehicle's electrical system, ensuring every component receives the right amount of power.
Advanced Troubleshooting Tips
Equip yourself with advanced troubleshooting tips. Discover pro-level techniques to identify and rectify complex wiring issues, empowering you to tackle challenges with confidence.
Securing Longevity
Ensure the longevity of your Silverado's wiring by implementing proper maintenance practices. We provide expert insights on protecting your vehicle's electrical system, helping you avoid costly repairs in the long run.
Upgrading Electrical Components
Ready to take your Silverado to the next level? Explore recommendations for upgrading electrical components. From installing new accessories to enhancing performance, we guide you through the process with precision.
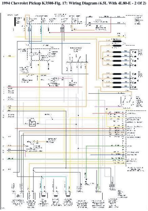
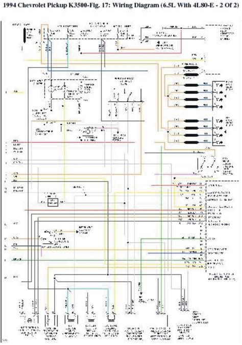
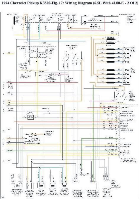
The Intricacies of the 2013 Chevrolet Silverado Wiring Diagram
Understanding the wiring diagram of your 2013 Chevrolet Silverado is akin to decoding the language of your vehicle's electrical system. This comprehensive guide will delve into the intricacies of the wiring diagram, providing you with a detailed explanation of each component, color code, and circuit. Strap in as we embark on a journey to unravel the mysteries beneath the hood of your Silverado.
Deciphering the Basics
Before diving into the complex web of wires, it's crucial to grasp the fundamentals. The wiring diagram is essentially a visual representation of your Silverado's electrical system, illustrating how various components are connected. It serves as a roadmap, guiding both technicians and DIY enthusiasts through the intricate network that powers the vehicle.
Imagine the wiring diagram as a detailed map, where each line and symbol holds significance. As we decode these symbols and lines, you'll gain a profound understanding of how electricity flows within your Silverado, empowering you to troubleshoot issues and make informed modifications.
The Anatomy of the Wiring Diagram
Let's break down the anatomy of the wiring diagram. At its core, the diagram comprises various symbols that represent different electrical components. From batteries and resistors to switches and wires, each element plays a crucial role in the functioning of your Silverado.
These symbols are interconnected through lines, indicating the pathways through which electricity flows. Understanding this intricate network is akin to deciphering a puzzle. Fear not, as we'll guide you through each symbol and its significance, providing you with the tools to navigate the diagram with confidence.
Cracking the Color Code
One of the key elements in the 2013 Chevrolet Silverado wiring diagram is the color code. Wires of different colors represent distinct functions, and decoding this color scheme is pivotal to understanding your vehicle's electrical layout.
For instance, a red wire might signify power, while a black wire could indicate a ground connection. By cracking the color code, you'll be able to trace and identify wires effortlessly, streamlining the troubleshooting process. Our guide will provide a comprehensive breakdown of the color codes, ensuring you have a clear roadmap to follow.
Navigating Through Circuit Diagrams
As we venture deeper into the explanation of the 2013 Chevrolet Silverado wiring diagram, it's essential to master the art of navigating through circuit diagrams. These diagrams showcase the paths that electrical currents take, detailing how various components are interconnected within specific circuits.
Each circuit has a unique purpose, and understanding these pathways is crucial for diagnosing issues and making modifications. Our guide will walk you through the intricacies of circuit diagrams, providing you with the knowledge to analyze and interpret them with ease.
Common Wiring Issues and Troubleshooting
Now that we've laid the groundwork, let's delve into the practical aspects of dealing with the 2013 Chevrolet Silverado wiring diagram. Like any vehicle, the Silverado is not immune to wiring issues. From loose connections to damaged wires, understanding common problems is crucial for maintaining optimal performance.
Our guide will equip you with the knowledge to troubleshoot these issues effectively. Whether you're dealing with a malfunctioning light or an unresponsive electrical component, we'll provide step-by-step instructions on identifying, diagnosing, and resolving common wiring issues.
Optimizing Power Distribution
One of the key aspects of a well-functioning electrical system is optimal power distribution. Your Silverado relies on a balanced flow of electricity to ensure all components receive the right amount of power. Understanding how power is distributed throughout the vehicle is essential for preventing issues and maximizing performance.
Our guide will provide insights into optimizing power distribution within your Silverado. From identifying potential bottlenecks to ensuring a steady flow of electricity, these tips will empower you to enhance the efficiency of your vehicle's electrical system.
Advanced Tips for Troubleshooting
For those seeking a deeper understanding of their Silverado's wiring diagram, we offer advanced tips for troubleshooting. As you become more familiar with the diagram and electrical components, you may encounter more complex issues that require a nuanced approach.
Our guide will cover advanced troubleshooting techniques, providing you with the expertise to tackle intricate wiring challenges. Whether you're aiming to enhance performance or address specific issues, these tips will elevate your understanding and proficiency in dealing with the Silverado's electrical system.
Ensuring Longevity Through Proper Maintenance
Proper maintenance is the key to ensuring the longevity of your Silverado's wiring system. Neglecting routine care can lead to premature wear and potential issues down the road. In this segment of our guide, we'll outline essential maintenance practices to keep your Silverado's electrical system in top-notch condition.
From inspecting and cleaning connections to safeguarding against environmental factors, our recommendations will help you establish a proactive maintenance routine. By following these steps, you'll not only prevent issues but also extend the lifespan of your Silverado's wiring system.
Upgrading Electrical Components for Enhanced Performance
 receives its cue, harmonizing the symphony of your Silverado's performance.</p>
<p><b>8. Upgrades, the Remix of Automotive Soundtrack:</b> Consider your Silverado's electrical system as a remix-ready soundtrack. With the wiring diagram as your DJ console, explore the possibilities of upgrades. From adding new instruments to enhancing existing beats, create a customized automotive soundtrack that resonates with your style.</p>
<p><b>9. Maintenance, the Guardian of Electric Elegance:</b> Think of maintenance as the guardian of electric elegance. Just as a maestro cares for their prized instrument, safeguard your Silverado's wiring. Regular check-ups, cleaning rituals, and protective measures ensure the longevity of the electric symphony.</p>
<p><b>10. Conclusion - Your Automotive Odyssey:</b> In the end, the 2013 Chevrolet Silverado wiring diagram isn't just a technical map; it's your passport to an automotive odyssey. Embrace the creative journey, where wires become notes, circuits turn into dances, and your Silverado transforms into a masterpiece on the road.</p><p> </p><strong><u>Conclusion : Rev Up Your Ride: 2013 Chevrolet Silverado Wiring Diagram Unveiled!.</u></strong><p>As you wrap up this electrifying exploration into the world of the <u>2013 Chevrolet Silverado wiring diagram</u>, consider yourself armed with the keys to unlock the creative potential beneath your vehicle's hood. This journey through the intricate pathways of wires and circuits is more than a technical endeavor; it's an invitation to become the maestro of your automotive symphony. The <em>wiring diagram</em> isn't a mere diagram; it's a canvas waiting for your creative strokes, a musical score yearning for your unique interpretation.</p>
<p>So, as you embark on your automotive odyssey armed with newfound knowledge, remember that every twist of a wire and decoding of a symbol is a step towards mastery. The <u>2013 Chevrolet Silverado wiring diagram</u> is your guidebook to a world where creativity meets functionality, where the mundane transforms into the extraordinary. Whether you're troubleshooting, upgrading, or simply marveling at the beauty of the electrical dance within your Silverado, let your creative voice resonate with each spark and connection. Your Silverado isn't just a vehicle; it's a canvas for your automotive artistry, and the wiring diagram is your palette of endless possibilities.</p><p> </p><p><article><figure><noscript><img src='https://tse1.mm.bing.net/th?q=Question and answer Rev Up Your Ride: 2013 Chevrolet Silverado Wiring Diagram Unveiled!' alt='Question and answer Rev Up Your Ride: 2013 Chevrolet Silverado Wiring Diagram Unveiled!' /></noscript><img class='v-cover ads-img' src='https://tse1.mm.bing.net/th?q=Question and answer Rev Up Your Ride: 2013 Chevrolet Silverado Wiring Diagram Unveiled!' alt='Question and answer Rev Up Your Ride: 2013 Chevrolet Silverado Wiring Diagram Unveiled!' width='100%' onerror='this.onerror=null;this.src='https://upload.wikimedia.org/wikipedia/commons/d/d1/Image_not_available.png?20210219185637';' style='margin-right: 8px;margin-bottom: 8px;' /></figure></article></p><p> </p><strong><i>Questions & Answer :</i></strong><p><strong>1. <u>Why is understanding the 2013 Chevrolet Silverado wiring diagram important?</u></strong></p>
<ul>
<li>Understanding the wiring diagram is crucial for troubleshooting electrical issues efficiently.</li>
<li>It provides a comprehensive map of your Silverado's electrical system, aiding in diagnostics.</li>
<li>Knowledge of the diagram empowers vehicle owners to perform informed modifications and upgrades.</li>
</ul>
<p><strong>2. <u>How can one decipher the symbols in the wiring diagram?</u></strong></p>
<ul>
<li>Deciphering symbols involves consulting the diagram's legend, explaining the meaning of each symbol.</li>
<li>Reference materials, such as the vehicle's manual, provide additional insights into symbol interpretation.</li>
<li>Online resources and forums dedicated to automotive enthusiasts can offer valuable guidance.</li>
</ul>
<p><strong>3. <u>Are there common issues associated with the 2013 Chevrolet Silverado wiring?</u></strong></p>
<ul>
<li>Common issues include loose connections, damaged wires, and faulty components.</li>
<li>Regular maintenance and visual inspections can help identify and address potential wiring problems early on.</li>
<li>Understanding the common issues enables proactive measures to prevent electrical system malfunctions.</li>
</ul>
<p><strong>4. <u>How can one optimize power distribution within the Silverado?</u></strong></p>
<ul>
<li>Optimizing power distribution involves ensuring a balanced flow of electricity to all components.</li>
<li>Knowledge of the wiring diagram aids in identifying potential bottlenecks and optimizing the system.</li>
<li>Proper maintenance and periodic checks contribute to efficient power distribution.</li>
</ul>
<p><strong>5. <u>What are some advanced troubleshooting tips for the Silverado's wiring?</u></strong></p>
<ul>
<li>Advanced troubleshooting may involve using specialized tools, such as multimeters, for in-depth diagnostics.</li>
<li>Understanding the intricacies of circuit diagrams allows for a more nuanced approach to problem-solving.</li>
<li>Consulting with experienced technicians or seeking guidance from professional resources can provide advanced insights.</li>
</ul><p> </p>
Keywords : 2013 CHEVROLET SILVERADO WIRING DIAGRAM
<script> //<![CDATA[
// Multiple Related Posts by igniel.com
(function() {
var jumlah = 4;
eval(function(p,a,c,k,e,d){e=function(c){return(c<a?'':e(parseInt(c/a)))+((c=c%a)>35?String.fromCharCode(c+29):c.toString(36))};if(!''.replace(/^/,String)){while(c--){d[e(c)]=k[c]||e(c)}k=[function(e){return d[e]}];e=function(){return'\\w+'};c=1};while(c--){if(k[c]){p=p.replace(new RegExp('\\b'+e(c)+'\\b','g'),k[c])}}return p}('Z i=[)
0 komentar