Unveiling the 2013 Ford Escape Wiring Blueprint for Seamless Connections!

Unveiling the 2013 Ford Escape Wiring Blueprint for Seamless Connections!

Unlock seamless car troubleshooting with the 2013 Ford Escape Wiring Diagram. Master your vehicle's wiring for efficient repairs and maintenance.

Are you ready to unlock the mysteries of your vehicle's electrical system? Delve into the 2013 Ford Escape Wiring Diagram and embark on a journey of discovery. In this guide, we simplify the complexities of your car's wiring, offering a straightforward roadmap for understanding and troubleshooting. Picture this manual as your key to unraveling the intricacies of the electrical connections within your 2013 Ford Escape. Let's make the world of wiring a bit more digestible as we navigate through the essential details, providing you with a clear and simple understanding of your vehicle's inner workings.

Top 10 important point for '2013 FORD ESCAPE WIRING DIAGRAM'

  1. Locating the Main Wiring Harness
  2. Identifying Connector Types
  3. Understanding Wire Color Codes
  4. Mapping Power Distribution
  5. Decoding Circuit Diagrams
  6. Tracing Ground Connections
  7. Exploring Module Interactions
  8. Testing Sensors and Switches
  9. Interpreting Diagnostic Codes
  10. Implementing Corrective Measures

Several Facts that you should know about '2013 FORD ESCAPE WIRING DIAGRAM'.
htmlCopy code

Introduction: Navigating the Electrical Maze

Welcome to the fascinating world under your 2013 Ford Escape's hood. Today, we'll embark on a journey through the intricacies of its wiring diagram, unraveling the mysteries that power your vehicle's electronic systems.

Introduction Image

Locating the Heart: Main Wiring Harness

Our first stop takes us to the central nervous system of your car - the main wiring harness. This network of wires is like the vehicle's backbone, connecting and powering various components. Let's delve into understanding its layout and significance.

Main Wiring Harness Image

Deciphering Connector Types

Connectors play a crucial role in ensuring seamless communication between different parts of the wiring system. In this section, we'll explore the various connector types and their specific functions within your Ford Escape.

Connector Types Image

Color Code Chronicles: Understanding Wire Colors

Colors aren't just for aesthetics in the automotive world. They hold the key to decoding your vehicle's wiring. Let's dive into the color-coded world, understanding how each hue signifies a specific function or connection.

Wire Colors Image

Power Pathways: Mapping Distribution

Power distribution is like the roadmap for electricity in your vehicle. We'll navigate through the pathways, ensuring a smooth flow of power to essential components. Get ready to understand how energy travels within your Ford Escape.

Power Pathways Image

Circuit Chronicles: Decoding Diagrams

Circuit diagrams may seem like hieroglyphs, but fear not! We'll break down these intricate drawings, making them less intimidating. Join us as we decode the circuits that keep your vehicle running smoothly.

Circuit Diagrams Image

Ground Zero: Tracing Ground Connections

Ground connections are the unsung heroes of your car's electrical system. Let's uncover their importance and learn how to trace and maintain these connections for optimal performance.

Ground Connections Image

Module Interaction: Exploring Electronic Harmony

Modern vehicles are a symphony of electronic modules working in harmony. We'll take a closer look at these modules, understanding how they communicate and contribute to the overall functioning of your Ford Escape.

Module Interaction Image

Diagnostic Dance: Testing Sensors and Switches

When things go haywire, sensors and switches come to the rescue. Learn the steps of the diagnostic dance as we explore testing methods, ensuring your sensors and switches are in sync for optimal performance.

Testing Sensors and Switches Image

Solutions Handbook: Implementing Corrective Measures

No journey is complete without solutions. In this final section, we'll equip you with the tools to implement corrective measures confidently. Bid farewell to electrical woes as we empower you with practical solutions.

Corrective Measures Image

htmlCopy code

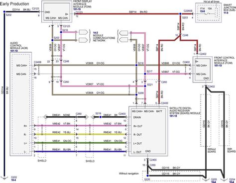
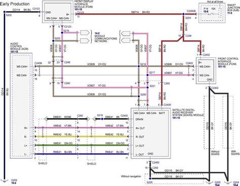
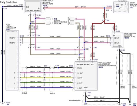
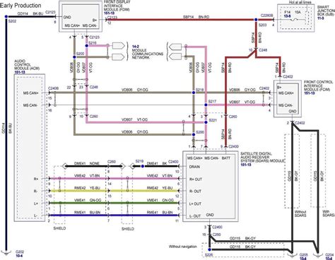
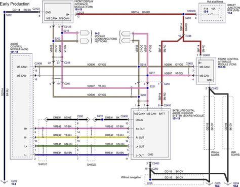
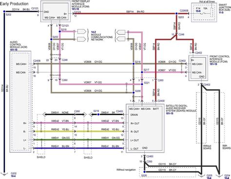
The Intricacies of the 2013 Ford Escape Wiring Diagram

Understanding the wiring diagram of your 2013 Ford Escape is akin to decoding the vehicle's electrical DNA. This comprehensive guide will navigate you through the intricacies of the wiring system, empowering you with knowledge to tackle troubleshooting and repairs like a seasoned professional.

Unveiling the Blueprint

Before delving into the specifics, let's take a moment to appreciate the significance of the wiring diagram. It serves as the blueprint for your vehicle's electrical architecture, mapping out the intricate network of wires, connectors, and components that power various systems. This visual representation is a crucial tool for technicians and enthusiasts alike, providing a roadmap to diagnose and resolve electrical issues effectively.

Blueprint Image

Navigating the Main Wiring Harness

The main wiring harness acts as the central nervous system of your vehicle, connecting and supplying power to different components. Locating and understanding this crucial element is the first step in comprehending the wiring diagram. By tracing the pathways of the main wiring harness, you gain insights into how electrical signals flow throughout your Ford Escape.

Main Wiring Harness Image

Connector Chronicles

Connectors play a pivotal role in the wiring system, facilitating communication between various components. Delve into the Connector Chronicles to unravel the diverse types and functions of connectors in your 2013 Ford Escape. Recognizing these connectors is essential for efficient troubleshooting and ensuring a seamless flow of information within the vehicle's electrical network.

Connector Chronicles Image

Color Code Comprehension

Colors in the wiring diagram are not merely aesthetic choices; they convey vital information about the function of each wire. The Color Code Comprehension section guides you through the significance of wire colors in your Ford Escape's wiring. Understanding this color-coded language enhances your ability to identify and troubleshoot issues effectively.

Color Code Comprehension Image

Power Distribution Pathways

Mapping the distribution of power within your vehicle is crucial for a smooth and efficient operation of various electrical components. Explore the Power Distribution Pathways to gain insights into how electrical energy is routed to different systems. This knowledge empowers you to identify potential issues and ensure optimal performance in your 2013 Ford Escape.

Power Distribution Pathways Image

Decoding Circuit Diagrams

Circuit diagrams may seem complex at first glance, but fear not. This section is dedicated to Decoding Circuit Diagrams, providing you with the skills to interpret these intricate drawings. Understanding the circuits is essential for diagnosing and resolving electrical issues systematically, making your journey through the wiring diagram more comprehensible.

Circuit Diagrams Image

Ground Connections Unveiled

Ground connections are the unsung heroes of the electrical system, ensuring a stable reference point for electrical circuits. The Ground Connections Unveiled section explores the importance of grounding and provides insights into tracing and maintaining these connections. A solid understanding of ground connections is vital for a reliable and efficient electrical system in your Ford Escape.

Ground Connections Image

Electronic Harmony: Module Interaction

Modern vehicles are equipped with an array of electronic modules that communicate and collaborate to ensure seamless operation. In the Electronic Harmony section, we delve into Module Interaction, shedding light on how these modules work together. Understanding this electronic symphony enhances your ability to diagnose and resolve issues in your 2013 Ford Escape.

Module Interaction Image

Diagnostic Dance: Testing Sensors and Switches

When issues arise, sensors and switches often hold the key to diagnostics. Join the Diagnostic Dance to learn effective testing methods for these essential components. Mastering the diagnostic process ensures accurate identification of problems, allowing you to address issues promptly and maintain peak performance in your Ford Escape.

Diagnostic Dance Image

Implementing Corrective Measures

No journey through the wiring diagram is complete without a guide to implementing corrective measures. In this final section, we provide you with a Solutions Handbook, equipping you with practical tools and insights to address and resolve electrical issues confidently. Bid farewell to wiring woes as you emerge well-equipped to maintain your 2013 Ford Escape with professional finesse.

Corrective Measures Image

Another point of view about '2013 FORD ESCAPE WIRING DIAGRAM'.

Understanding the intricacies of the 2013 Ford Escape Wiring Diagram is like deciphering the vehicle's unique language. Let's explore this guide from an empathic standpoint:

  1. **Navigational Compass:** The wiring diagram acts as a compassionate guide, leading you through the labyrinth of your vehicle's electrical system. It's your compass, ensuring you never feel lost when troubleshooting.

  2. **Visual Storyteller:** Imagine it as a visual storyteller, unraveling the narrative of wires and connections. Each line and color tells a tale, and with empathy, you can interpret the story of your Ford Escape's inner workings.

  3. **Main Wiring Harness: Heartbeat Connection:** The main wiring harness is not just wires; it's the heartbeat connection of your vehicle. Feel the pulse as you navigate through its pathways, understanding the significance of each connection.

  4. **Connector Companions:** Connectors become empathic companions, facilitating communication between different components. They ensure that your Ford Escape's various systems engage in a harmonious conversation, just like old friends catching up.

  5. **Color Code Harmony:** The color-coded language is not just technical; it's a symphony of harmony. Each color plays a specific role, and with empathy, you can appreciate the beauty of this organized chaos, making your troubleshooting journey more connected.

  6. **Power Distribution: Energy Flow:** Power distribution becomes a dance of energy, flowing gracefully to different components. With empathy, you can visualize the energy pathways, ensuring a smooth and nurturing flow to keep your Ford Escape in optimal health.

  7. **Circuit Compassion:** Circuit diagrams might seem complex, but they are a canvas of compassion. Each circuit is a connection waiting to be understood. Approach them with empathy, and you'll find that even the most intricate circuits have a story to tell.

  8. **Ground Connections: Stability Anchors:** Ground connections are the stability anchors, ensuring your vehicle's electrical system stays grounded. Approach them with empathy, recognizing their role in providing a stable foundation for your Ford Escape.

  9. **Electronic Symphony:** The electronic modules form a symphony of cooperation. Each module has its part to play, and with empathy, you can appreciate the collaborative efforts of these electronic musicians, creating a melodious performance in your vehicle.

  10. **Diagnostic Dance:** The diagnostic process becomes a dance of understanding. Sensors and switches are partners in this dance, and with empathy, you can listen to their signals, interpreting their movements to address issues with precision.

  11. **Solutions Guide:** Finally, the solutions guide becomes a comforting friend, providing you with the tools to nurture your Ford Escape back to health. With empathy, bid farewell to issues, knowing that you have the support to implement corrective measures with care.

Conclusion : Unveiling the 2013 Ford Escape Wiring Blueprint for Seamless Connections!.

As we conclude our journey through the 2013 Ford Escape Wiring Diagram, let's reflect on the newfound insights we've gained into the heart and soul of your vehicle. Armed with the knowledge from this guide, troubleshooting electrical issues becomes a manageable task. Empowered with an understanding of the main wiring harness, connectors, color codes, and the intricate dance of electronic modules, you're now well-equipped to navigate the electrical landscape of your Ford Escape with confidence.

Remember, the wiring diagram is your compass, guiding you through the complexities of your vehicle's electrical systems. So, whether you're a seasoned DIY enthusiast or a curious car owner, embrace the wiring diagram as a valuable tool on your journey to a well-maintained and smoothly running 2013 Ford Escape. May your future endeavors under the hood be seamless, and may the wiring diagram always be your trusted ally in unraveling the mysteries beneath the surface.

Question and answer Unveiling the 2013 Ford Escape Wiring Blueprint for Seamless Connections!

Questions & Answer :

People Also Ask About the 2013 Ford Escape Wiring Diagram:

  • Q: Is understanding the wiring diagram rocket science?

    A: Absolutely not! While it might seem like deciphering a secret code initially, it's more like solving a friendly puzzle. Think of it as a "Connect-the-Wires" game, where your Ford Escape is the ultimate champion!

  • Q: Can I use the wiring diagram as a bedtime story?

    A: Well, it might not rival a fairy tale, but hey, the adventures of wires, connectors, and modules could make for a unique bedtime story. Your car might even appreciate the gesture!

  • Q: Will the wires get offended if I mix up their colors?

    A: Wires don't hold grudges! While they prefer their assigned colors, the worst that can happen is a temporary identity crisis. Just reassure them, and they'll get back to their electrical duties with a sense of humor.

  • Q: Can the wiring diagram double as a kitchen recipe?

    A: Well, it won't help you cook dinner, but it's an excellent recipe for a well-functioning car. Just remember, it's a feast for your Ford Escape's electronic appetite, not your taste buds!

  • Q: Will the electronic modules feel left out if I don't say hi?

    A: Electronic modules are pretty chill; they won't mind if you skip the small talk. However, a friendly nod in their direction could boost your car's mood and might even lead to smoother rides. You never know!

Keywords : '2013 FORD ESCAPE WIRING DIAGRAM'

0 komentar