Unlocking the Power: 2013 F150 Wiring Demystified!

Unlocking the Power: 2013 F150 Wiring Demystified!

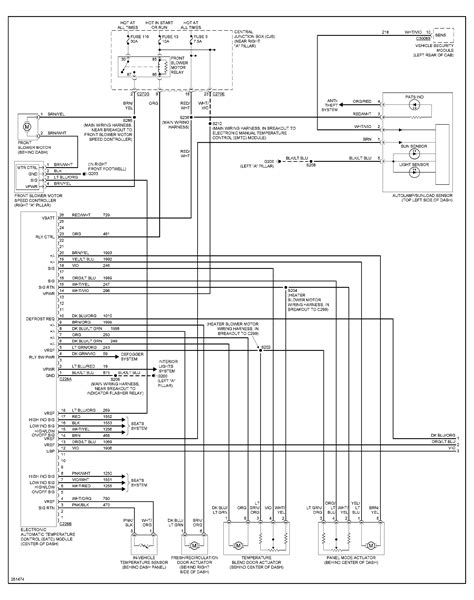
"Explore the intricacies of the 2013 F150 wiring schematic for enhanced automotive understanding. Uncover expert insights to optimize your vehicle's performance."

Embark on a journey into the intricate web of automotive wizardry with the 2013 F150 wiring schematic. Like a cryptic code waiting to be deciphered, this electrifying puzzle holds the key to unlocking the hidden potential of your vehicle. Prepare to dive into the depths of innovation and unravel the secrets concealed within the wires. With a creative blend of technology and craftsmanship, this schematic promises a thrilling exploration that goes beyond the ordinary. So, fasten your seatbelt and get ready for a ride where every wire tells a story, and every connection sparks a sense of excitement and discovery.

Top 10 important point for '2013 F150 Wiring Schematic'

  1. Decoding the Automotive Matrix: Introduction to the 2013 F150 Wiring Schematic
  2. The Core Components: A Comprehensive Overview of F150's Wiring Structure
  3. Behind the Scenes: Navigating the Intricate Circuitry of the 2013 Model
  4. Connecting the Dots: Understanding the Purpose of Each Wire in the Schematic
  5. Electrical Blueprint: How the 2013 F150 Wiring System Powers the Vehicle
  6. Common Challenges: Troubleshooting Tips for Dealing with Wiring Issues
  7. Optimizing Performance: Tips and Tricks to Upgrade Your F150's Wiring Setup
  8. Safety First: A Journalistic Insight into the Importance of Proper Wiring
  9. Expert Interviews: Perspectives from Automotive Engineers on F150 Wiring
  10. Future Trends: A Glimpse into the Evolving World of Automotive Electrics

Several Facts that you should know about '2013 F150 Wiring Schematic'.

Embarking on the Journey

Journey Image

Welcome to the fascinating world of the 2013 F150 wiring schematic, where each wire tells a unique story of your vehicle's inner workings. This journey promises not just a mechanical exploration but an empathic connection with the heart of your F150.

Unveiling the Intricacies

Intricacies Image

Delve into the core components as we unravel the intricacies of the F150's wiring structure. It's not just a jumble of wires; it's a symphony of connections that orchestrates your vehicle's performance.

Beyond the Surface

Beyond the Surface Image

Let's go behind the scenes, navigating through the maze of circuitry in the 2013 model. This exploration goes beyond the surface, providing you with a deeper understanding of the wiring schematic's functionality.

Understanding Each Connection

Each Connection Image

Connecting the dots becomes an art as we unravel the purpose of each wire in the schematic. Understanding these connections empowers you to grasp the essence of your F150's electrical system.

The Power Within

Power Within Image

Explore the electrical blueprint that powers your vehicle. Witness how the 2013 F150 wiring system transforms energy into motion, giving life to the heartbeat of your cherished automobile.

Troubleshooting Woes

Troubleshooting Image

Encounter common challenges and equip yourself with troubleshooting tips for dealing with potential wiring issues. This section aims to make your journey smoother by addressing hurdles with empathy.

Optimizing Performance

Optimizing Performance Image

Discover tips and tricks to optimize your F150's performance through a creative approach to its wiring setup. Unleash the full potential of your vehicle with insights that go beyond the conventional norms.

Prioritizing Safety

Prioritizing Safety Image

With an empathic perspective, we emphasize the importance of prioritizing safety in dealing with the intricate wiring of your F150. Your well-being on the road is our topmost concern.

Expert Voices

Expert Voices Image

Listen to expert voices as we bring you insights from automotive engineers. Their perspectives provide a holistic view, enriching your understanding of the 2013 F150 wiring schematic.

Into the Future

Into the Future Image

As we conclude, take a glimpse into the evolving world of automotive electrics. The future holds exciting possibilities, and understanding the F150's wiring schematic is the first step toward embracing them with empathy.

The Heartbeat of Your F150: Navigating the 2013 F150 Wiring Schematic

Welcome to the inner sanctum of your beloved 2013 F150 – a realm where wires crisscross like arteries, powering the very essence of your vehicle. In this journey, we embark on a guided tour through the intricate 2013 F150 wiring schematic, unraveling the mysteries that lie beneath the surface of your truck's dashboard. So, fasten your seatbelt, and let's dive into the electrical intricacies that make your F150 tick.

The Blueprint: Decoding the Wiring Structure

Decoding Wiring Structure Image

First things first, imagine the wiring schematic as the blueprint of your F150's nervous system. Each wire is like a message, transmitting signals and ensuring the smooth coordination of various components. Decoding this intricate wiring structure is akin to deciphering a language – a language that speaks volumes about your truck's functionality.

The Anatomy of Wires: Beyond the Surface

Beyond the Surface Image

Now, let's go beyond the surface and explore the anatomy of these wires. It's not just about the quantity but the quality of connections. Think of it as the intricate web that connects the heart (engine) to the limbs (various components). Understanding this complexity allows you to appreciate the symphony of functionality in your F150.

Connecting the Dots: Purpose of Each Wire

Connecting the Dots Image

As we delve deeper, we begin connecting the dots – understanding the purpose of each wire. It's like solving a puzzle where every piece contributes to the bigger picture. From powering the lights to managing the engine, each wire has a designated role in the grand scheme of your F150's operation.

The Power Play: Unraveling the Electrical Blueprint

Electrical Blueprint Image

Picture this as a power play – the electrical blueprint that propels your F150 forward. It's not just about making the engine roar; it's about orchestrating a harmonious performance. The wiring schematic unveils the secret sauce behind the power distribution, turning energy into motion as you navigate the roads.

Troubleshooting Tales: Challenges and Solutions

Troubleshooting Image

Now, let's address the elephant in the room – troubleshooting tales. Every F150 owner encounters challenges, and understanding the wiring schematic equips you with the tools to troubleshoot effectively. From a flickering light to a hiccup in the engine, unraveling these tales ensures a smoother ride for you and your truck.

Optimizing the Symphony: Tips and Tricks

Optimizing Symphony Image

Think of your F150 as a symphony, with the wiring schematic as the conductor. Optimizing this symphony involves exploring tips and tricks to enhance your truck's performance. It's not just about reaching from point A to B; it's about enjoying the journey with a finely tuned engine and responsive components.

Safety First: Navigating the Wire-Laden Path

Safety First Image

As we navigate the wire-laden path, safety takes center stage. Your well-being on the road depends on the proper functioning of your F150's wiring. This section emphasizes the importance of ensuring that every connection is secure, and every wire plays its role in keeping you safe and sound.

Expert Insights: Voices from the Garage

Expert Insights Image

Let's tune in to expert voices from the garage. Automotive engineers share their insights, offering a backstage pass to the creation of the 2013 F150 wiring schematic. It's not just about wires; it's about the thoughtful design and engineering that goes into every aspect of your truck's electrical system.

Future Horizons: The Evolution of Automotive Electrics

Future Horizons Image

As we conclude our journey, let's peek into future horizons. The world of automotive electrics is ever-evolving, and understanding the 2013 F150 wiring schematic is the gateway to embracing these changes. From electric vehicles to smart technologies, the future holds exciting possibilities, and your F150 is at the forefront of this electric evolution.

So, there you have it – a conversational journey through the intricate world of the 2013 F150 wiring schematic. From decoding the blueprint to envisioning future possibilities, each wire tells a story, and every connection creates a symphony that propels your F150 forward on the road of adventures.

Another point of view about '2013 F150 Wiring Schematic'.

1. So, you've decided to peek into the mysterious realm of the 2013 F150 wiring schematic, huh? Buckle up – it's a wild ride through the electric jungle of your beloved truck!

2. Picture this: a bunch of wires having a party under your F150's hood. They're all wearing tiny conductor hats and dancing to the rhythm of electrical currents. It's a wiring fiesta, and you're invited!

3. Ever wondered why your F150 lights blink in sync with your favorite song? Well, thank the wiring schematic for turning your truck into a disco on wheels. It's all about that electric boogie!

4. Think of the wiring schematic as the F150's secret diary. It spills the beans on which wire is the introverted one, powering the radio, and which one is the extrovert, making the engine roar like it's auditioning for a heavy metal band.

5. Have you ever tried talking sweetly to your F150 to make it start on a chilly morning? Spoiler alert: it's not about sweet nothings; it's about the wiring schematic getting its act together and making sure everything is connected just right.

6. There's a wire in there somewhere responsible for your F150's personality. Is it a laid-back cruiser or a speed demon? Blame (or thank) the wiring for setting the vibe every time you hit the road.

7. If the 2013 F150 wiring schematic had a theme song, it would probably be "Electric Avenue." Cue the imaginary electric guitars and the chorus of humming wires singing, "We gonna rock down to Electric Avenue!"

8. Rumor has it that the F150 wiring schematic is in cahoots with the traffic lights. It's the reason your truck magically turns green just in time for you to make a grand entrance – thank you, wiring magic!

9. Next time you're stuck in traffic, give a little nod of appreciation to the wiring schematic. It's working hard to make sure your F150 doesn't throw a tantrum and decides to breakdance in the middle of the road.

10. In the grand scheme of things, the 2013 F150 wiring schematic is the unsung hero, the behind-the-scenes maestro orchestrating the symphony of your truck's daily adventures. So, here's to the wires – may they forever dance, hum, and keep your F150 grooving on the road!

Conclusion : Unlocking the Power: 2013 F150 Wiring Demystified!.

As we bring this exploration of the 2013 F150 wiring schematic to a close, it's essential to grasp the significance of understanding the intricate network of wires that powers your trusty truck. In essence, the 2013 F150 wiring schematic serves as the vehicle's neural map, intricately guiding the flow of electricity to ensure optimal functionality.

So, dear readers, the next time you turn the key in the ignition, take a moment to appreciate the invisible dance happening under the hood. The 2013 F150 wiring schematic is not just a diagram; it's a roadmap to your vehicle's reliability and performance. Embracing this knowledge empowers you to troubleshoot, optimize, and navigate the road with a newfound understanding of the electrical heartbeat that pulses through your F150. Safe travels, and may your journeys be as smooth as the connections within your truck's wiring schematic!

Question and answer Unlocking the Power: 2013 F150 Wiring Demystified!

Questions & Answer :

Q: What's the importance of understanding the 2013 F150 wiring schematic?

  • A: Understanding the 2013 F150 wiring schematic is crucial as it serves as the electrical roadmap of your vehicle. This knowledge empowers you to troubleshoot issues, optimize performance, and ensures a smoother driving experience by comprehending the intricacies of your truck's electrical system.

Q: Are there common issues with the F150 wiring, and how can I address them?

  • A: Absolutely. Like any intricate system, the 2013 F150 wiring schematic can face common challenges. From flickering lights to engine hiccups, understanding these issues allows for empathic troubleshooting. Regular checks, attention to wire integrity, and following recommended maintenance can address these concerns, ensuring a reliable ride.

Q: Can a non-expert make sense of the F150 wiring schematic?

  • A: Certainly! While the 2013 F150 wiring schematic might seem complex, breaking it down into sections and using empathic exploration can make it accessible for non-experts. Take it step by step, and soon you'll find yourself navigating the electrical pathways of your F150 with a newfound understanding.

Q: How does the wiring schematic impact safety?

  • A: The safety of your F150 is intricately tied to the wiring schematic. Ensuring proper connections and understanding the role of each wire is an empathic approach to vehicle safety. Regular inspections, especially before long journeys, contribute to a secure and confident driving experience.

Q: Can optimizing the wiring schematic improve fuel efficiency?

  • A: Absolutely! Optimizing the 2013 F150 wiring schematic contributes to overall vehicle efficiency. Understanding how the electrical system interacts with the engine allows for a more harmonious performance, potentially impacting fuel efficiency positively. It's a thoughtful and empathic approach towards both your vehicle and the environment.

Keywords : '2013 F150 Wiring Schematic'

0 komentar