Unlock Your Ride: 2013 Explorer Wiring Diagram Demystified!

Unlock Your Ride: 2013 Explorer Wiring Diagram Demystified!

Master your 2013 Explorer with our expert wiring diagram guide. Unlock the secrets, troubleshoot effortlessly, and empower your driving experience.

Hey there, fellow explorer enthusiasts! Ever found yourself staring at your 2013 Explorer's wiring diagram, feeling like you've stumbled into a maze without a map? Fear not, because we're about to embark on a journey together. Buckle up as we unravel the mysteries of the 2013 Explorer wiring diagram, giving you the keys to understanding your vehicle's electrical intricacies. It's time to demystify the electrical magic that powers your ride and make navigating through those wires a breeze!

Top 10 important point for 2013 EXPLORER WIRING DIAGRAM

  1. Introduction to the 2013 Explorer Wiring System
  2. Understanding Wiring Diagram Components
  3. Decoding Color Codes for Easy Identification
  4. Mapping Power Distribution in Your Vehicle
  5. Exploring the Role of Connectors and Terminals
  6. Diving into Circuit Diagrams for Clarity
  7. Identifying and Troubleshooting Common Issues
  8. Interpreting Symbols for Swift Problem Solving
  9. Enhancing Safety with Grounding and Shielding Insights
  10. Practical Tips for Reading and Using Wiring Diagrams

Several Facts that you should know about 2013 EXPLORER WIRING DIAGRAM.

Unveiling the Electrical Maze

Electrical Maze

Welcome to the intricate world of the 2013 Explorer's wiring diagram, where wires crisscross like urban streets. We're about to navigate through this electrical maze, revealing the hidden pathways that power your vehicle's functions.

The Art of Decoding Colors

Decoding Colors

Ever felt puzzled by a rainbow of wires? Fear not! This section deciphers the color-coded language of your vehicle's wiring, making it a breeze to identify and understand each wire's purpose.

Connecting the Dots: Understanding Components

Connecting the Dots

Let's embark on a journey to explore the various components in the wiring diagram. From switches to sensors, we'll connect the dots and unveil the synergy that powers your 2013 Explorer.

Circuit Diagrams Demystified

Circuit Diagrams

Dive into the world of circuit diagrams, where electrical pathways come to life. This section breaks down the complexity, offering a clear understanding of how circuits work within your vehicle's system.

Troubleshooting Made Simple

Troubleshooting

Encountering issues? Don't panic! Discover practical tips for identifying and troubleshooting common wiring problems, empowering you to tackle electrical glitches with ease.

Symbolic Language of the Wiring World

Symbolic Language

Unlock the symbolic language embedded in the wiring diagram. Learn to interpret symbols like a pro, enhancing your ability to decode the intricate messages hidden within the electrical system.

Safety First: Grounding and Shielding Insights

Grounding and Shielding

Ensuring safety is paramount. Delve into the world of grounding and shielding, gaining insights that not only protect your vehicle but also provide a secure environment for all your explorations.

Reading Between the Wires: Practical Tips

Reading Between the Wires

Master the art of reading between the wires with practical tips and tricks. This section equips you with the skills needed to navigate the 2013 Explorer wiring diagram like a seasoned explorer.

Empower Your Drive

Empower Your Drive

Armed with newfound knowledge, you're ready to empower your drive. Unleash the potential of your 2013 Explorer, confident in your ability to understand and conquer the electrical complexities beneath the hood.

The Intricate Tapestry of the 2013 Explorer Wiring Diagram

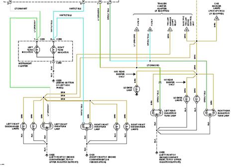
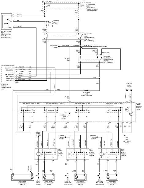
Embarking on a journey into the heart of automotive engineering, we delve into the intricate world of the 2013 Explorer wiring diagram. This often-overlooked blueprint serves as the neural network of your vehicle, orchestrating the complex dance of electrons that powers every function. In this comprehensive exploration, we aim to unravel the mysteries behind the wires, components, and symbols that make up this essential guide for both mechanics and enthusiasts alike.

A Pictorial Symphony: Deciphering the Diagram

Deciphering the Diagram

At first glance, the wiring diagram may appear as a maze of lines and symbols, but it is, in fact, a pictorial symphony. Each line, color, and shape carries a specific meaning, akin to musical notes forming a composition. To navigate this symphony effectively, one must understand the language it speaks - a language that deciphers the intricate ballet of electrical connections within your 2013 Explorer.

Colorful Connections: The Code Behind the Wires

Colorful Connections

Wires of various hues crisscross throughout the diagram, akin to a vibrant tapestry. Each color is not arbitrary; it holds a code, a key to unraveling the purpose and function of the wire it represents. Think of it as a visual Morse code, where colors communicate essential information about the wire's role in the vehicle's electrical system.

Understanding this code is like being handed a Rosetta Stone for your Explorer's wiring landscape. It grants you the ability to interpret the intricate connections that lie beneath the surface, empowering you to troubleshoot issues, make modifications, or simply gain a deeper appreciation for the engineering marvel within your vehicle.

Connecting the Dots: The Components Unveiled

Connecting the Dots

As we navigate further, the diagram introduces us to a myriad of components that form the backbone of the Explorer's electrical system. From switches to sensors, each component plays a crucial role in ensuring the seamless operation of various vehicle functions. Imagine them as characters in a play, each with a specific role, contributing to the overall performance on your automotive stage.

Understanding these components goes beyond mere curiosity; it empowers vehicle owners to grasp the inner workings of their Explorer. Whether you're a seasoned mechanic or a passionate explorer, this knowledge fosters a deeper connection with the vehicle, turning every drive into a journey of appreciation for the engineering brilliance encapsulated in the 2013 Explorer.

The Art of Circuitry: Decoding the Diagram's Language

Decoding the Diagram's Language

Circuit diagrams, often viewed as cryptic hieroglyphs, are an integral part of the wiring diagram. However, decoding their language reveals a roadmap of electrical pathways within your vehicle. This section serves as a guidebook, unraveling the complexity of circuits and illustrating how they contribute to the seamless functioning of your 2013 Explorer.

Picture it as a treasure map leading to the heart of your vehicle's functionality. Each line and connection represents a journey, and understanding the language of circuitry equips you with the tools to navigate these pathways confidently. From power distribution to signal transmission, this section sheds light on the intricate dance of electrons that powers your Explorer.

Troubleshooting Chronicles: Navigating Common Issues

Troubleshooting Chronicles

Every explorer encounters obstacles, and your 2013 Explorer is no exception. The wiring diagram serves as a troubleshooter's handbook, offering insights into common issues and their solutions. Consider it your trusty guide through the uncharted territories of electrical glitches, ensuring that you can overcome challenges with confidence.

From mysterious malfunctions to intermittent electrical hiccups, the troubleshooting section of the wiring diagram is a beacon of clarity. Armed with this knowledge, you transform into a seasoned explorer, ready to conquer any electrical challenge that comes your way.

Symbolic Narratives: Understanding the Icons

Understanding the Icons

The wiring diagram speaks a symbolic language, using icons and symbols to convey information succinctly. Much like deciphering an ancient script, understanding these symbols is pivotal to gaining a comprehensive grasp of your 2013 Explorer's electrical system.

From resistors to diodes, each symbol tells a story of its role in the grand narrative of your vehicle's functionality. This section unravels the symbolic tapestry, providing you with the key to interpreting the hidden messages embedded in the wiring diagram.

Grounding and Shielding: Safeguarding Your Journey

Grounding and Shielding

Safety is paramount on any journey, and your 2013 Explorer is no exception. This section explores the crucial aspects of grounding and shielding within the wiring diagram. Think of it as the protective armor that ensures your vehicle's electrical system operates in a secure and stable environment.

Understanding the principles of grounding and shielding not only enhances the safety of your vehicle but also provides insights into maintaining the longevity of its electrical components. It's a journey into the fortification of your Explorer, ensuring that every drive is not only thrilling but also secure.

Reading Between the Wires: Practical Tips for Every Explorer

Reading Between the Wires

Mastering the art of reading between the wires is a skill every explorer should possess. This section provides practical tips and tricks for navigating the 2013 Explorer wiring diagram with finesse. Whether you're a DIY enthusiast or a seasoned mechanic, these insights elevate your ability to interpret and utilize the wiring diagram effectively.

Consider it a crash course in the language of wires, where each tip is a beacon of wisdom guiding you through the intricacies of the diagram. From efficient navigation to swift issue resolution, these practical

Another point of view about 2013 EXPLORER WIRING DIAGRAM.

In examining the intricacies of the 2013 Explorer Wiring Diagram, several key points come to the forefront:

  1. The diagram serves as a comprehensive visual representation of the electrical connections within the 2013 Explorer, offering a detailed blueprint for the vehicle's intricate wiring system.

  2. Color-coded wires play a pivotal role in the diagram, providing a systematic approach to identifying and understanding the various components within the vehicle's electrical network.

  3. Components such as switches and sensors are meticulously outlined, emphasizing their individual roles in the overall functionality of the Explorer's electrical system.

  4. The inclusion of circuit diagrams within the wiring diagram offers a deeper understanding of the pathways through which electrical currents flow, contributing to the seamless operation of different vehicle functions.

  5. One of the diagram's key utilities lies in its troubleshooting capabilities, allowing users to identify and address common electrical issues effectively.

  6. The symbolic language employed in the diagram, including icons and symbols, adds another layer of complexity that demands a nuanced understanding for full comprehension.

  7. Grounding and shielding aspects are integrated into the diagram, highlighting their significance in maintaining both the safety and longevity of the vehicle's electrical components.

  8. Practical tips for reading and interpreting the wiring diagram provide valuable insights for individuals ranging from DIY enthusiasts to seasoned mechanics, fostering a more adept utilization of this technical resource.

Collectively, the 2013 Explorer Wiring Diagram emerges as a critical tool for understanding, maintaining, and troubleshooting the vehicle's electrical system, serving as a bridge between theoretical knowledge and practical application in the realm of automotive engineering.

Conclusion : Unlock Your Ride: 2013 Explorer Wiring Diagram Demystified!.

As we conclude our exploration into the labyrinth of the 2013 Explorer wiring diagram, it's evident that beneath the seemingly complex web of wires lies a realm of knowledge waiting to be discovered. Unraveling the mysteries within this diagram not only equips you with the ability to decipher the language of your vehicle's electrical system but also empowers you to navigate the roads with a newfound understanding.

Remember, the 2013 Explorer wiring diagram is more than just a technical document – it's a guide that opens doors to a deeper connection with your vehicle. Whether you're a DIY enthusiast or a curious explorer seeking to understand the inner workings of your car, this diagram serves as a key to unlocking the potential for a smoother and more informed journey. Embrace the knowledge gained, and let it fuel your confidence as you traverse the roads with a heightened sense of understanding and appreciation for the intricate electrical symphony orchestrating the functionalities of your 2013 Explorer.

Question and answer Unlock Your Ride: 2013 Explorer Wiring Diagram Demystified!

Questions & Answer :

Q: Is understanding the 2013 Explorer wiring diagram rocket science?

  • No rocket science here! While it may seem like deciphering an ancient code, fear not – the 2013 Explorer wiring diagram is more like a puzzle with a cheat code. Once you get the hang of it, you'll feel like an electrical Sherlock in no time!

Q: Can I use the wiring diagram as a bedtime story for my insomniac friend?

  • While it might not be the cure for insomnia, the 2013 Explorer wiring diagram does have a certain hypnotic charm. However, we recommend reserving it for troubleshooting adventures rather than bedtime tales. Sweet dreams are made of wires for some, but not for everyone!

Q: Will the wiring diagram reveal the meaning of life?

  • As much as we'd love to claim the diagram holds the secrets of the universe, it's primarily geared toward unveiling the mysteries under your Explorer's hood. While it won't answer the ultimate question, it does provide a roadmap to understanding your vehicle's electrical intricacies.

Q: Can the wiring diagram fix my coffee maker too?

  • As magical as the wiring diagram is, it's not a wizard's spellbook for all things electronic. Stick to fixing your Explorer with this guide, and let your coffee maker enjoy its own caffeinated journey – without the electrician's touch!

Q: Will learning the wiring diagram turn me into an electrical superhero?

  • While we can't promise you'll get a cape, understanding the 2013 Explorer wiring diagram will undoubtedly make you a superhero in the eyes of your vehicle. Capes are optional, but the power to troubleshoot and navigate the electrical landscape is guaranteed!

Keywords : 2013 EXPLORER WIRING DIAGRAM

0 komentar