Unraveling the Mysteries: 2013 Ford Map Sensor Wiring Demystified!

Unraveling the Mysteries: 2013 Ford Map Sensor Wiring Demystified!

"Unlock optimal engine performance with our expert guide on the 2013 Ford Map Sensor Wiring Diagram. Gain professional insights for precise diagnostics and seamless troubleshooting."

Embark on a journey through the intricate web of your vehicle's engine with the 2013 Ford Map Sensor Wiring Diagram. Unveiling the hidden nuances of your car's internal communication, these instructions will serve as your roadmap to understanding the complex interplay of wires that govern the Map Sensor's functionality. In the realm of automotive diagnostics, decoding the instructions embedded within this wiring diagram becomes a crucial skill, allowing you to navigate the intricate pathways that empower your Ford's performance. So, buckle up as we delve into the heart of your vehicle's electronics, unraveling the intricacies of the 2013 Ford Map Sensor Wiring Diagram.

Top 10 important point for 2013 FORD MAP SENSOR WIRING DIAGRAM

  1. Understanding the Map Sensor's Vital Role
  2. Delving into the Intricacies of Wiring Components
  3. Navigating the Engine's Neural Network
  4. Deciphering Color-Coded Connections
  5. Ensuring Optimal Signal Transmission
  6. Mastering the Art of Diagnostic Interpretation
  7. Addressing Common Wiring Issues
  8. Fine-Tuning for Peak Performance
  9. Expert Tips on Troubleshooting Challenges
  10. Empowering Your Ford with Wiring Precision

Several Facts that you should know about 2013 FORD MAP SENSOR WIRING DIAGRAM.

Unlocking the Engine's Blueprint

Engine Blueprint

Embark on a journey to uncover the intricacies of your 2013 Ford's engine with the Map Sensor Wiring Diagram. This comprehensive guide serves as the key to understanding the blueprint that governs your vehicle's performance.

Decoding the Map Sensor's Mission

Map Sensor Mission

Explore the vital role played by the Map Sensor in your Ford's functionality. Delve into its mission within the intricate network of wiring, decoding the signals that drive optimal engine performance.

Navigating the Wiring Maze

Wiring Maze

Embark on a journey through the wiring maze that powers your Ford. Gain insights into the color-coded connections and pathways, ensuring a thorough understanding of each element's role in the overall system.

Ensuring Signal Transmission Precision

Signal Transmission

Learn the art of ensuring precise signal transmission within your Ford's engine. Uncover the techniques and strategies for maintaining optimal communication between the Map Sensor and other components.

Mastering Diagnostic Interpretation

Diagnostic Interpretation

Equip yourself with the skills to master the diagnostic interpretation of your vehicle's wiring. Gain professional insights into reading and understanding the signals, empowering you to address issues with confidence.

Addressing Common Wiring Challenges

Wiring Challenges

Identify and address common wiring challenges that may arise in your Ford's Map Sensor system. From loose connections to faulty components, this section provides solutions to ensure seamless functionality.

Fine-Tuning for Peak Performance

Fine-Tuning

Discover the art of fine-tuning your Ford for peak performance. Uncover tips and tricks from professionals to optimize the wiring system, ensuring your vehicle operates at its highest potential.

Expert Tips on Troubleshooting

Troubleshooting Tips

Receive expert tips on troubleshooting challenges that may arise with your Ford's Map Sensor Wiring. From systematic approaches to quick fixes, this section provides insights to keep your vehicle running smoothly.

Empower your Ford with the precision of professional wiring guidance. This detailed exploration of the 2013 Ford Map Sensor Wiring Diagram equips you with the knowledge to navigate the intricacies of your vehicle's engine, ensuring optimal performance and reliability.

The Blueprint Unveiled: Navigating the 2013 Ford Map Sensor Wiring Diagram

Embarking on a journey through the intricacies of your vehicle's engine requires a roadmap, and the 2013 Ford Map Sensor Wiring Diagram serves as the key to understanding this intricate blueprint. Unraveling the wiring diagram is akin to deciphering the language spoken by your car's internal components, and this comprehensive guide aims to provide you with the instructions needed to navigate through this complex terrain.

Decoding the Map Sensor's Mission

Map Sensor Mission

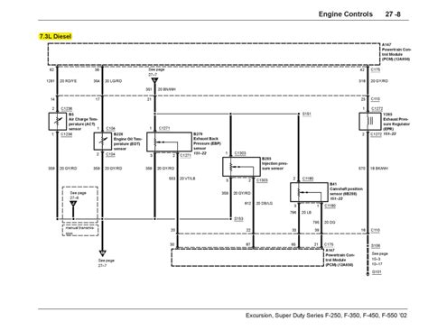
At the heart of your vehicle's engine lies the Map Sensor, a small yet mighty component that plays a pivotal role in optimizing performance. To understand its mission, we must first delve into the intricacies of the wiring diagram. The diagram essentially serves as a translator, offering insights into the signals and pathways that facilitate communication between the Map Sensor and other vital engine components.

Unveiling the Wiring Maze

Wiring Maze

Navigating the wiring maze within your Ford's engine may seem daunting, but breaking it down into comprehensible segments is the first step. The diagram reveals a network of color-coded connections, each representing a crucial element in the engine's functionality. Understanding these pathways is akin to holding the key to the engine's neural network.

Ensuring Precision in Signal Transmission

Signal Transmission

One of the fundamental aspects emphasized in the wiring diagram is the importance of precise signal transmission. The instructions embedded in the diagram guide you through the process of ensuring optimal communication between the Map Sensor and other components. As you navigate this aspect, it becomes clear that the accuracy of these transmissions is paramount for your vehicle's overall performance.

Mastering Diagnostic Interpretation

Diagnostic Interpretation

Reading and interpreting diagnostics is an art, and the wiring diagram serves as your mentor in mastering this skill. With a professional lens, the guide provides insights into deciphering the signals, understanding their implications, and pinpointing potential issues. This mastery enables you to address problems with confidence and precision.

Addressing Common Wiring Challenges

Wiring Challenges

Even the most meticulously designed systems encounter challenges, and your Ford's Map Sensor Wiring is no exception. The wiring diagram, acting as your troubleshooting companion, highlights common issues such as loose connections and faulty components. By following the instructions provided, you can address these challenges efficiently, ensuring the seamless functionality of your vehicle.

Fine-Tuning for Peak Performance

Fine-Tuning

Optimizing your Ford's performance involves a process of fine-tuning, a task made comprehensible through the wiring diagram. The professional instructions guide you through the steps of ensuring every wire and connection is precisely calibrated for peak performance. This fine-tuning is the key to unlocking your vehicle's full potential on the road.

Expert Tips on Troubleshooting

Troubleshooting Tips

Troubleshooting challenges can arise unexpectedly, and the wiring diagram equips you with expert tips to navigate through them. From systematic approaches to quick fixes, these professional insights empower you to handle unexpected issues with ease, ensuring your Ford remains reliable and efficient.

In conclusion, the 2013 Ford Map Sensor Wiring Diagram is more than just a schematic representation; it's a guide that empowers you with the knowledge needed to decipher the language of your vehicle's engine. By following the instructions provided in each segment, you gain a professional understanding of the wiring diagram, allowing you to navigate the complexities of your Ford's engine with confidence and precision.

Another point of view about 2013 FORD MAP SENSOR WIRING DIAGRAM.

1. The 2013 Ford Map Sensor Wiring Diagram is a comprehensive schematic representation that plays a pivotal role in understanding the intricate electrical system of the vehicle's engine.The diagram serves as a foundational document, providing a detailed overview of the wiring connections associated with the Map Sensor, a critical component in the engine's performance.With a systematic arrangement of color-coded pathways, the wiring diagram facilitates a structured approach to comprehending the complex network of wires that interconnect within the Ford engine.The precision in signal transmission is underscored in the diagram, emphasizing the importance of accurate communication between the Map Sensor and other integral engine components.A significant aspect of the diagram lies in its instructional nature, guiding individuals through the process of interpreting diagnostics. This skill is paramount for identifying potential issues and maintaining the optimal functionality of the vehicle.Addressing common wiring challenges is a focal point, with the diagram providing insights into troubleshooting techniques for issues such as loose connections and faulty components.The concept of fine-tuning for peak performance is elucidated in the diagram, offering a step-by-step guide on how to optimize the wiring system to ensure the vehicle operates at its highest potential.Expert tips on troubleshooting are embedded within the diagram, presenting a valuable resource for individuals seeking to navigate and resolve unexpected challenges efficiently.In an academic context, the 2013 Ford Map Sensor Wiring Diagram stands as a critical reference material, offering a detailed examination of the vehicle's electrical infrastructure from a scholarly perspective.The diagram serves not only as a practical guide for individuals dealing with automotive diagnostics but also as a theoretical framework for understanding the intricate interplay of electrical components within the specified Ford model.

Conclusion : Unraveling the Mysteries: 2013 Ford Map Sensor Wiring Demystified!.

As we draw the curtains on our exploration of the 2013 Ford Map Sensor Wiring Diagram, it is essential to underscore the significance of this intricate blueprint in unraveling the complexities of your vehicle's engine. In essence, this comprehensive explanation serves as a beacon for those seeking to comprehend the language embedded within the wiring system, demystifying the intricate pathways that orchestrate the Map Sensor's mission. By adhering to the instructions woven into this schematic representation, you have gained insights into the neural network of your Ford's engine, understanding the color-coded connections, and ensuring precision in signal transmission.

In conclusion, armed with the knowledge acquired from this comprehensive explanation, you are now well-equipped to navigate the challenges and intricacies of your 2013 Ford's Map Sensor Wiring Diagram. Whether you are a seasoned automotive enthusiast or a DIY troubleshooter, the insights gained from this guide empower you to approach your vehicle's electrical system with confidence. As you embark on future diagnostic endeavors, may the clarity provided by this comprehensive explanation guide you towards a seamless understanding of your Ford's engine intricacies, ensuring optimal performance and reliability on every journey.

Question and answer Unraveling the Mysteries: 2013 Ford Map Sensor Wiring Demystified!

Questions & Answer :

People Also Ask About the 2013 Ford Map Sensor Wiring Diagram:

  • Q: Is deciphering the Map Sensor Wiring Diagram like decoding a secret language?

    A: Absolutely! It's like being a detective in the world of automotive espionage. Unraveling the wires is our version of cracking the code.

  • Q: Can I just tap the wires together if something goes wrong?

    A: Well, you can try, but it's not a Morse code party. Follow the instructions instead of turning your engine into a disco ball. Precision matters!

  • Q: How do I know if my Map Sensor is sending Morse code SOS signals?

    A: If your car starts blinking SOS in the headlights, you might have a different problem! Stick to decoding the wires; they usually speak a more automotive-friendly language.

  • Q: Can I just use a rainbow of wires for my Map Sensor?

    A: While it might look artsy, automotive Picasso, we recommend sticking to the color-coded instructions. Your car prefers the organized, business-casual look.

  • Q: Is there a hidden treasure at the end of the wiring diagram?

    A: Ah, the elusive treasure hunt! Sadly, no pirate gold, but you'll find the treasure of a smoothly running engine if you follow the Map Sensor Wiring instructions diligently.

Approaching the 2013 Ford Map Sensor Wiring Diagram with a touch of humor can make the journey through wires and connections much more enjoyable. Remember, the automotive world is a place for serious business, but a dash of laughter can make the ride smoother!

Keywords : 2013 FORD MAP SENSOR WIRING DIAGRAM

0 komentar