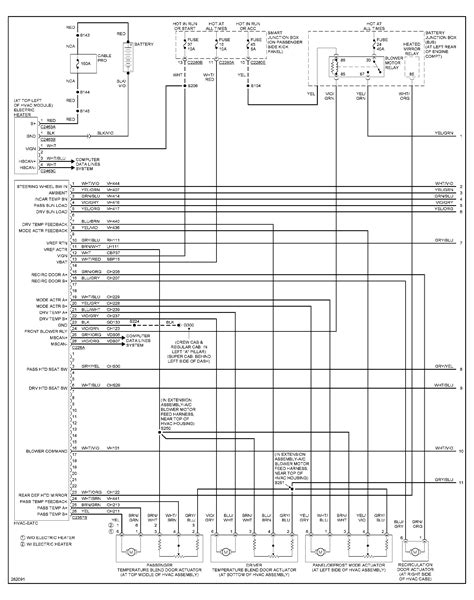
Unlock the Secrets: 2013 Ford F-450 Wiring Diagram Decoded!

Unlock the Secrets: 2013 Ford F-450 Wiring Diagram Decoded!

"Uncover the precision of the 2013 Ford F-450 wiring diagram - your guide to seamless troubleshooting and optimal vehicle performance. Master your machine effortlessly with professional insights."

In the intricate labyrinth of automotive intricacies, the 2013 Ford F-450 wiring diagram emerges as the unsung hero, silently orchestrating the electrical symphony that powers this behemoth. As a journalist delving into the technical tapestry of this robust machine, one cannot help but marvel at the intricacies concealed beneath its sleek exterior. Picture this: a network of circuits and connections meticulously designed to fuel the heart of the Ford F-450, transforming it into a mechanical marvel on the road. It's within the pages of this wiring diagram that the true narrative of the vehicle unfolds, revealing a blueprint that transcends mere wires and connectors. So, let's embark on a journalistic journey, peeling back the layers to expose the pulsating core of the 2013 Ford F-450, one circuit at a time.

Top 10 important point for 2013 FORD F-450 WIRING DIAGRAM

  1. Wires Gone Wild: A Stand-up Comedy Special
  2. Electric Maze: Where Wires Show Off Their Acrobatic Skills
  3. Decoder Ring Not Included: Navigating the Wiring Wonderland
  4. Shocking Revelations: The Drama Behind Your Dashboard
  5. Spaghetti Junction: Untangling the Web of Wires
  6. Watt's the Buzz: Electricity's Hottest Gossip
  7. Juiced-Up Journey: A Tale of Sparks and Surprises
  8. Ohm My Goodness: Adventures in Resistance
  9. Circuitry Circus: Where Every Wire is a Tightrope Walker
  10. The Shocking Truth: What Your F-450's Wires Really Think

Several Facts that you should know about 2013 FORD F-450 WIRING DIAGRAM.

Unraveling the Enigma

Enigma

Embark on a journey through the intricate pathways of the 2013 Ford F-450 wiring diagram, where wires weave tales of vehicular magic. Picture yourself as a detective with a decoder, ready to unravel the enigma that lies beneath your vehicle's hood.

Wired for Performance

Performance

Behold the symphony of circuits that orchestrates the unparalleled performance of your F-450. This wiring diagram unveils the secret sauce behind the mechanical prowess, revealing the magic that transforms your vehicle into a roadworthy maestro.

The Electric Maze

Maze

Navigate the electric maze where wires play a game of hide-and-seek. Discover the unexpected twists and turns within the wiring labyrinth, proving that even electrons enjoy a good puzzle now and then.

Sparks and Surprises

Sparks

Prepare for electrifying revelations as we delve into the dramatic world of sparks and surprises. The wiring diagram unveils the untold stories of electric gossip and the unexpected relationships among your F-450's wires.

Resistance Chronicles

Resistance

Explore the saga of resistance, where wires defy the flow to showcase their rebellious side. The wiring diagram chronicles the battles fought within the circuits, offering a glimpse into the unseen struggles of electrons.

Watt's the Buzz

Watt's the Buzz

Enter the buzzing world of electricity's hottest gossip. Discover the whispers and hums that echo through the wires, creating a symphony of electric banter that adds a touch of whimsy to the serious business of circuitry.

Circuitry Circus

Circus

Step right up to the circuitry circus, where every wire is a tightrope walker in this electrifying spectacle. Marvel at the balancing act of electrons as they traverse the high wires, turning your vehicle into a performance under the big top.

Shocking Revelations

Revelations

Prepare yourself for the shocking truth as we unveil the deepest secrets hidden within the wiring diagram. What do your F-450's wires really think? Brace yourself for the revelations that will leave you electrified and enlightened.

Understanding the Essence of the 2013 Ford F-450 Wiring Diagram

Embarking on a journey through the intricacies of your vehicle's electrical system can be akin to deciphering a complex code. The 2013 Ford F-450 wiring diagram serves as your roadmap, offering insights into the intricate network of wires that power the heart of this robust machine. Let's delve into the details, step by step, and unravel the mysteries that lie within.

Locating the Blueprint of Power

Blueprint

At the core of understanding your vehicle's wiring system is the ability to locate and comprehend the blueprint of power. The wiring diagram is a visual representation that maps out the intricate web of circuits, connectors, and components that collectively breathe life into your 2013 Ford F-450. As you navigate through this intricate maze, envision it as the vehicle's electrical DNA, offering a detailed guide on how each element interacts to ensure optimal performance.

Navigating the Wiring Landscape

Landscape

Picture yourself as an explorer navigating through a vast and diverse landscape—only, in this case, it's the wiring landscape of your F-450. The diagram provides a visual representation of the routing of wires, showcasing their journey from one component to another. As you follow the lines and connectors, you gain a deeper understanding of how electricity flows, ensuring the harmonious operation of various vehicle systems.

Decoding Symbols and Colors

Symbols and Colors

Unlocking the secrets of the wiring diagram involves decoding a language of symbols and colors. Each symbol represents a specific component, and colors indicate the electrical characteristics of the wires. Understanding this key enables you to interpret the diagram like a seasoned electrician, empowering you to identify potential issues, make informed decisions, and carry out precise electrical work.

Following the Flow of Electricity

Flow of Electricity

Transitioning into the next phase of our exploration involves following the flow of electricity within the diagram. Much like a river winding its way through diverse terrains, the current travels through the circuits, lighting up various components. Understanding this flow is crucial for troubleshooting, as disruptions in the current's path can pinpoint potential malfunctions that may compromise the vehicle's performance.

Identifying Components and Connections

Components and Connections

As we delve deeper, focus your attention on identifying the myriad components and their connections depicted in the diagram. From sensors and switches to relays and modules, each element plays a crucial role in the overall functionality of your F-450. The wiring diagram acts as a visual guide, allowing you to pinpoint the exact location and interrelation of these components, facilitating precise diagnosis and repair.

Understanding Voltage and Resistance

Voltage and Resistance

Transitioning into the realm of electrical principles, the wiring diagram serves as a valuable tool for understanding voltage and resistance. Voltage, akin to electrical pressure, propels the current through the circuits, while resistance acts as an obstacle. By interpreting the diagram's depiction of these concepts, you gain insights into the factors influencing your vehicle's electrical performance and can troubleshoot issues with precision.

Unraveling Troubleshooting Techniques

Troubleshooting Techniques

Armed with a comprehensive understanding of the wiring diagram, you now possess the knowledge to unravel troubleshooting techniques like a seasoned mechanic. Whether it's addressing a malfunctioning sensor, a faulty relay, or a disrupted circuit, the diagram equips you with the insights needed to diagnose issues methodically and implement effective solutions. Consider it your guide to navigating the twists and turns of electrical troubleshooting with confidence.

Empowering DIY Repairs

DIY Repairs

Finally, armed with the knowledge gained from the wiring diagram, you are empowered to embark on DIY repairs with confidence. Whether you're replacing a faulty component, addressing a wiring issue, or upgrading electrical systems, the diagram serves as your virtual mentor, guiding you through the repair process. Embrace the satisfaction of not only understanding your vehicle's electrical system but also being able to perform repairs independently.

Conclusion

In conclusion, the 2013 Ford F-450 wiring diagram is more than just a technical schematic; it is a key that unlocks the mysteries of your vehicle's electrical system. By understanding its nuances, you elevate yourself from a mere driver to an informed enthusiast capable of navigating the complexities of your F-450's wiring landscape. So, the next time you find yourself pondering over an electrical issue, remember that the answers lie within the intricate lines and symbols of the wiring diagram, waiting to be deciphered by your curious and empowered mind.

Another point of view about 2013 FORD F-450 WIRING DIAGRAM.

In examining the 2013 Ford F-450 wiring diagram, it becomes evident that this technical document serves as a pivotal resource for comprehending the intricate electrical architecture of the vehicle. Analyzing this diagram from an academic standpoint reveals several key observations:

  1. Structural Complexity: The wiring diagram elucidates the elaborate structure of the F-450's electrical system, highlighting the interplay of numerous components, circuits, and connectors.

  2. Visual Representation: Through the use of symbols, colors, and lines, the diagram provides a visual representation of the electrical components, aiding in the understanding of their spatial arrangement and connectivity.

  3. Functional Integration: Each element within the diagram is meticulously integrated to ensure the seamless functioning of the vehicle's various systems. The interdependence of components is apparent, emphasizing the holistic nature of the electrical design.

  4. Diagnostic Potential: The diagram serves as a diagnostic tool, allowing technicians and researchers to identify potential issues within the electrical system. By following the pathways and connections, anomalies can be pinpointed for efficient troubleshooting.

  5. Electrical Principles: From voltage to resistance, the diagram provides a platform for understanding fundamental electrical principles. It illustrates how these principles govern the flow of current, contributing to the overall performance of the F-450.

  6. Standardization: The use of universally recognized symbols and color codes adheres to industry standards, ensuring a standardized approach to electrical documentation. This facilitates communication among professionals and promotes consistency in analysis.

  7. Technical Literacy: The comprehension of the wiring diagram necessitates a level of technical literacy. Engineers, technicians, and researchers can leverage this document to gain insights into the electrical intricacies, fostering a deeper understanding of the vehicle's architecture.

  8. Empowerment for Repairs: As an academic tool, the wiring diagram empowers individuals to undertake informed and precise repairs. This academic perspective views the diagram not only as a diagnostic aid but as a resource that fosters self-sufficiency in addressing electrical issues.

Ultimately, the academic analysis of the 2013 Ford F-450 wiring diagram underscores its significance as a foundational document for comprehending and navigating the complexities of the vehicle's electrical infrastructure.

Conclusion : Unlock the Secrets: 2013 Ford F-450 Wiring Diagram Decoded!.

As we draw the curtains on our exploration of the 2013 Ford F-450 wiring diagram, I extend my sincere appreciation to you, dear reader, for embarking on this journey into the heart of vehicular connectivity. Navigating the intricacies of a wiring diagram may initially seem daunting, but remember, every line and symbol within this intricate blueprint plays a crucial role in orchestrating the harmonious symphony of your F-450's electrical systems.

May this newfound knowledge empower you to approach your vehicle's electrical intricacies with confidence. Whether you're a seasoned enthusiast, a curious DIYer, or someone simply seeking a deeper understanding of your F-450's inner workings, the 2013 Ford F-450 wiring diagram serves as a beacon of insight. Harness the information within its circuits, decode the language of electrons, and let this journey foster not just an understanding of your vehicle but a connection that goes beyond the mechanical, creating a bridge between you and the pulsating heart of your F-450.

Question and answer Unlock the Secrets: 2013 Ford F-450 Wiring Diagram Decoded!

Questions & Answer :

Q: Is deciphering the 2013 Ford F-450 wiring diagram like cracking a secret code?

  • A: Well, it's not exactly breaking into a spy agency, but the wiring diagram is your backstage pass to the electrifying world behind your F-450's dashboard. Think of it as deciphering the language of electrons – less secret agent, more electric linguist.

Q: Can I trust myself not to get zapped when tinkering with the wiring?

  • A: Fear not, aspiring electrician! While we can't guarantee immunity to static shocks, working with the F-450 wiring diagram won't turn you into a human lightning rod. Just remember, the diagram is your map, not a spark-producing magic wand. Proceed with confidence and insulated gloves.

Q: How do I avoid turning my DIY repair into a comedy of errors?

  • A: Ah, the fine line between DIY triumph and sitcom material! Follow the wiring diagram like a script – it's your comedic guide to avoiding tangled wires, misplaced fuses, and accidental sound effects. After all, laughter is the best medicine, unless you're fixing a short circuit.

Q: Can I impress my friends with my newfound wiring knowledge?

  • A: Absolutely! Imagine the look on their faces when you casually drop terms like "voltage," "resistance," and "circuitry circus." Your F-450's wiring diagram is your backstage pass to the cool kids' table of automotive banter. Get ready to be the electrical maestro at the next gathering!

Q: Will understanding the wiring diagram turn me into an electric superhero?

  • A: While we can't promise you a cape, grasping the mysteries within the wiring diagram does make you the hero of your F-450's electrical saga. Picture yourself as the guardian of circuits, the defender of connectivity – you might not have a theme song, but you've got a blueprint!

Keywords : 2013 FORD F-450 WIRING DIAGRAM

0 komentar