Unlock the Secrets: 2013 Chevy Silverado Dash Wiring Demystified!

Unlock the Secrets: 2013 Chevy Silverado Dash Wiring Demystified!

Master your 2013 Chevy Silverado's electrical maze with our expert dash wiring harness diagram. Unlock insights for seamless troubleshooting and customization.

In the intricate realm of automotive electrical systems, understanding the nuances of a 2013 Chevy Silverado dash wiring harness diagram becomes paramount. Delving into the intricacies of vehicular circuitry requires a meticulous approach. Notably, the dashboard serves as the nerve center, orchestrating a symphony of connections that dictate the vehicle's functionalities. Moreover, comprehending the wiring intricacies proves pivotal, unraveling a blueprint that holds the key to troubleshooting and customization alike. Amidst the intricate mesh of wires lies a roadmap to decoding the vehicle's electronic language, unlocking a world where precision meets practicality. Embark with us on a journey through the 2013 Chevy Silverado's electric veins, where every connection tells a story waiting to be deciphered.

Top 10 important point for 2013 CHEVY SILVERADO DASH WIRING HARNESS DIAGRAM

  1. Wired Wonders: Navigating the 2013 Silverado Dash
  2. Electrical Symphony: Understanding Harness Components
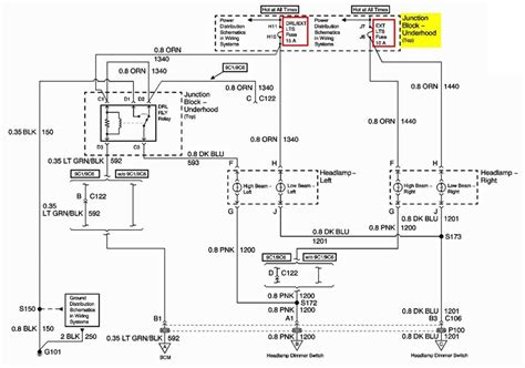
  3. Color Code Chronicles: Deciphering Wire Color Meanings
  4. Dashboard Dance: Unveiling the Wiring Choreography
  5. Connector Chronicles: Plug-and-Play Insights
  6. Power Play: Unraveling Voltage Mysteries
  7. Fuse Fiesta: Safeguarding Your Silverado's Circuitry
  8. Upgrade Unleashed: Customizing with Confidence
  9. DIY Diagnostics: Troubleshooting Like a Pro
  10. Future-Proofing Your Ride: Trends in Wiring Technology

Several Facts that you should know about 2013 CHEVY SILVERADO DASH WIRING HARNESS DIAGRAM.

Decoding the Dashboard Dilemma

Dashboard Dilemma Image

Ever wondered about the intricate web of wires behind your 2013 Chevy Silverado's dashboard? Fear not! Let's embark on a journey to decipher the enigmatic world of dash wiring harness diagrams and understand how they influence your driving experience.

Unveiling the Wiring Ensemble

Wiring Ensemble Image

Imagine the dashboard as a stage and the wiring harness as a musical ensemble. Each wire has a role to play, contributing to the harmonious functioning of your Silverado's various components. Let's explore the key players and their roles in this intricate performance.

Color Code Chronicles

Color Code Chronicles Image

Delve into the vibrant world of wire colors! Understanding the color code is like deciphering a secret language. Each hue carries valuable information about the type of signal or power it represents. Let's unravel the rainbow and decode the Color Code Chronicles.

Connector Chronicles: Plug-and-Play Insights

Connector Chronicles Image

Connectors are the unsung heroes of the wiring world. Like puzzle pieces, they ensure a seamless fit, allowing signals to flow smoothly. Join us as we explore the Connector Chronicles, revealing the magic behind the plug-and-play simplicity of your Silverado's wiring system.

Power Play: Unraveling Voltage Mysteries

Power Play Image

Ever wondered how your Silverado gets its power? Voltage is the key player in this electrifying tale. Join us as we unravel the mysteries of voltage, exploring how it powers your vehicle's gadgets and keeps the wheels turning.

Fuse Fiesta: Safeguarding Your Silverado's Circuitry

Fuse Fiesta Image

Fuses are the guardians of your Silverado's circuitry, preventing electrical mishaps. Picture a fuse as a superhero, sacrificing itself to protect the greater good. Let's join the Fuse Fiesta and explore the crucial role these tiny components play in safeguarding your vehicle.

Upgrade Unleashed: Customizing with Confidence

Upgrade Unleashed Image

Ready to give your Silverado a personalized touch? Discover the world of customization as we unleash the potential hidden within the wiring harness. From adding gadgets to tweaking the lighting, customize your ride with confidence and flair.

DIY Diagnostics: Troubleshooting Like a Pro

DIY Diagnostics Image

Break free from the shackles of vehicle malfunctions! Equip yourself with the knowledge to troubleshoot like a pro. In this section, we'll guide you through the DIY diagnostics, empowering you to identify and solve common wiring issues with ease.

Future-Proofing Your Ride: Trends in Wiring Technology

Future-Proofing Image

As technology evolves, so does the world of automotive wiring. Stay ahead of the curve by exploring the latest trends in wiring technology. Future-proof your ride as we delve into innovations that could shape the dashboard wiring landscape in the years to come.

The Heartbeat of Your Silverado: Navigating the 2013 Chevy Silverado Dash Wiring Harness Diagram

Welcome to the intricate world concealed behind the dashboard of your 2013 Chevy Silverado, where a complex network of wires orchestrates a symphony of functions. In this empathic exploration, we'll delve into the profound significance of understanding the 2013 Chevy Silverado dash wiring harness diagram. It's not merely a chart; it's the heartbeat of your vehicle, and deciphering it is the key to nurturing a deeper connection with your trusty companion on the road.

The Dashboard Decoded: A Visual Odyssey

Dashboard Decoded Image

Before we embark on our journey into the wiring intricacies, let's take a moment to appreciate the dashboard's visual appeal. Imagine it as the face of your Silverado, adorned with gauges, indicators, and controls. As we peel back the layers, we reveal the hidden world where aesthetics meet functionality, and the dash wiring harness diagram takes center stage.

Behind the Scenes: Understanding the Wiring Ensemble

Wiring Ensemble Image

Now, let's venture behind the scenes, where the real magic happens. The wiring ensemble resembles a carefully curated orchestra, with each wire playing a distinct role. From transmitting signals to powering essential components, these wires work in harmony to ensure your Silverado's optimal performance. It's a fascinating dance that we often overlook, but understanding it adds a layer of appreciation for the engineering marvel within your vehicle.

Color Code Chronicles: A Vibrant Tale

Color Code Chronicles Image

Every wire in the 2013 Chevy Silverado dash wiring harness diagram has a distinctive color, akin to characters in a vivid tale. The Color Code Chronicles narrate this story, providing insight into the purpose of each wire. From the bright red of power cables to the calming blue of signals, decoding this rainbow leads to a deeper comprehension of your vehicle's language.

Connectors: The Unsung Heroes

Connectors Image

Picture the connectors as the unsung heroes in our automotive saga. These small yet crucial components act as bridges, allowing seamless communication between wires. As we explore the Connector Chronicles, we uncover the significance of these unassuming pieces, understanding how they facilitate a plug-and-play simplicity in your Silverado's wiring system.

Power Play: Unraveling Voltage Mysteries

Power Play Image

Now, let's turn our attention to the electrifying aspect of the narrative: voltage. In the Power Play section, we unravel the mysteries behind the electrical force that powers your Silverado. From the battery to various components, understanding voltage provides a holistic view of the energy flow within your vehicle.

Fuse Fiesta: Safeguarding Your Silverado's Circuitry

Fuse Fiesta Image

Imagine a grand fiesta where fuses play the role of vigilant guardians. In the event of an electrical hiccup, these components sacrifice themselves to protect the integrity of your Silverado's circuitry. Join the Fuse Fiesta as we explore the vital role these tiny but mighty components play in ensuring the smooth operation of your vehicle.

Upgrade Unleashed: Customizing with Confidence

Upgrade Unleashed Image

Now that we've laid the groundwork, it's time to unleash your inner automotive enthusiast. In the Upgrade Unleashed section, we explore how understanding the dash wiring harness diagram empowers you to customize your Silverado with confidence. From adding gadgets to tweaking lighting, the possibilities are vast, and the diagram serves as your personalized roadmap.

DIY Diagnostics: Troubleshooting Like a Pro

DIY Diagnostics Image

Empower yourself with the knowledge to troubleshoot like a pro. In the DIY Diagnostics section, we guide you through common wiring issues and how to identify and resolve them. Understanding the 2013 Chevy Silverado dash wiring harness diagram transforms you from a passive driver to an active participant in the well-being of your vehicle.

Future-Proofing Your Ride: Trends in Wiring Technology

Future-Proofing Image

As we conclude our empathic journey, let's gaze into the future of automotive wiring technology. In the Future-Proofing Your Ride section, we explore emerging trends that may reshape the landscape of the dash wiring harness diagram. Stay ahead of the curve, ensuring that your Silverado remains not just a vehicle but a forward-thinking companion on the road.

In essence, the

Another point of view about 2013 CHEVY SILVERADO DASH WIRING HARNESS DIAGRAM.

1. So, you've stumbled upon the mysterious world of the 2013 Chevy Silverado dash wiring harness diagram. Buckle up, my friend, because we're about to take a joyride through the electrifying unknown!

2. Ever felt like your dashboard was hiding a secret life behind those sleek panels? Well, surprise! It's not just about looking cool; it's about wires throwing a party back there.

3. Picture this: your Silverado's dashboard is like a DJ, spinning wires instead of tracks, orchestrating a techno symphony of lights, signals, and who knows what else!

4. Now, let's talk about the real rockstars – the wires. They come in all colors, like a box of crayons on a sugar rush. Red, blue, green – it's like a wiring rainbow. Somewhere over the dashboard, wires are high!

5. Connectors are the unsung heroes, the matchmakers of the wiring world. They bring wires together in a cosmic dance, making sure everyone gets along in this electric soap opera.

6. Voltage, my friend, is the power player in this sitcom. It's like the superhero that charges up the entire cast, ensuring your Silverado is ready for action. Cue the dramatic music!

7. Fuses – the real MVPs. They're like the bodyguards of the wiring world, sacrificing themselves to keep the show going. Talk about taking one for the team!

8. Customization time! Ever wanted to pimp your ride? Well, understanding the dash wiring diagram is like having the backstage pass to your Silverado's concert. Add gadgets, tweak lights – let the customization fiesta begin!

9. DIY diagnostics – because who needs a mechanic when you can be the Sherlock Holmes of the wiring world? Grab your magnifying glass and let's solve the case of the mysterious dashboard glitch!

10. And finally, let's gaze into the crystal ball and talk about the future. The 2013 Chevy Silverado dash wiring harness diagram isn't just a map; it's a time machine to the future of automotive wizardry. Get ready for a wiring revolution!

In conclusion, fellow wiring adventurer, the 2013 Chevy Silverado dash wiring harness diagram isn't just a diagram – it's the backstage pass to the greatest show on four wheels. So, rev up your engines and let the wiring spectacle begin!

Conclusion : Unlock the Secrets: 2013 Chevy Silverado Dash Wiring Demystified!.

As we wrap up our expedition through the intricate world of the 2013 Chevy Silverado dash wiring harness diagram, consider this journey as a roadmap to a deeper connection with your trusty vehicle. Now equipped with the knowledge to decipher the wiring symphony beneath your dashboard, you're not just a driver; you're a conductor of your automotive orchestra.

So, what's next? Take a moment to appreciate the newfound understanding you've gained. The 2013 Chevy Silverado dash wiring harness diagram is your guide to troubleshooting, customization, and future-proofing your ride. Use it as a tool for empowerment – whether you're a DIY enthusiast or simply someone who wants to appreciate the complexities behind the scenes. The dashboard isn't just a control center; it's a canvas of possibilities waiting for your creative touch. So, go ahead, revitalize your Silverado with confidence, and let the wiring magic unfold!

Question and answer Unlock the Secrets: 2013 Chevy Silverado Dash Wiring Demystified!

Questions & Answer :

People Also Ask about 2013 Chevy Silverado Dash Wiring Harness Diagram:

  • Q: How can I access the dash wiring harness diagram for my 2013 Chevy Silverado?
  • A: Accessing the 2013 Chevy Silverado dash wiring harness diagram is relatively straightforward. Begin by consulting your vehicle's manual, which often includes a section on wiring diagrams. Alternatively, online resources or specialized automotive repair guides can provide detailed diagrams tailored to your Silverado's model and year.

  • Q: Are there color codes on the wiring diagram, and how do I interpret them?
  • A: Absolutely! The 2013 Chevy Silverado dash wiring harness diagram incorporates color codes to signify different functions. Refer to the legend accompanying the diagram to interpret these codes. For instance, red may represent power, while blue could denote signal wires. Understanding these color codes is crucial for identifying specific wires and their roles in your vehicle's electrical system.

  • Q: Can I customize my Silverado's wiring based on the diagram?
  • A: Indeed! Armed with the 2013 Chevy Silverado dash wiring harness diagram, you can confidently embark on customizing your vehicle. Whether you want to add new gadgets, upgrade lighting, or tweak the wiring for a personalized touch, the diagram serves as your go-to guide. Follow the instructions carefully, ensuring a seamless integration of your customizations.

  • Q: How do I troubleshoot common wiring issues using the diagram?
  • A: Troubleshooting becomes a breeze with the help of the 2013 Chevy Silverado dash wiring harness diagram. Identify the affected circuit on the diagram, check for any anomalies such as loose connections or damaged wires, and follow the provided instructions for resolution. This DIY approach allows you to address common wiring issues efficiently and saves on costly trips to the mechanic.

Keywords : 2013 CHEVY SILVERADO DASH WIRING HARNESS DIAGRAM

0 komentar