Unlock the Secrets: 2013 Chevy Express Ignition Switch Wiring Demystified!

Unlock the Secrets: 2013 Chevy Express Ignition Switch Wiring Demystified!

Unlock the intricacies of your 2013 Chevy Express with our expertly crafted ignition switch wiring diagram. Empower your understanding, elevate your automotive expertise.

In the intricate labyrinth of automotive mechanics, where every wire and connection tells a story, deciphering the 2013 Chevy Express ignition switch wiring diagram becomes an essential narrative for any car enthusiast. Picture this – a roadmap intricately woven with threads of electrical prowess, orchestrating the symphony of your vehicle's ignition. As a journalist of the automotive realm, let's embark on a journey through the blueprints of power, unraveling the mysteries that lie within the heart of your Chevy Express. Buckle up as we delve into the intricate web of circuits and switches, where every twist and turn reveals a tale of mechanical intrigue.

Top 10 important point for 2013 CHEVY EXPRESS IGNITION SWITCH WIRING DIAGRAM

  1. Wired Wonderland: Unveiling the Chevy Express Mystique
  2. Ignition Symphony: Decoding the Musicality of Connections
  3. Electrifying Insight: Your Roadmap to Chevy Ignition Mastery
  4. Circuit Chronicles: Tales from the Express Wiring Odyssey
  5. Switch Safari: Navigating the Wild World of Ignition Wires
  6. Spark Chronicles: Illuminating the Path of Power
  7. Connection Quest: Embarking on a Journey Through Express Wiring
  8. Mechanical Poetry: Crafting Verses with Ignition Switch Wires
  9. Wired Wizardry: Conjuring Magic in Your Chevy's Ignition System
  10. Enigmatic Currents: Unraveling the Intrigues of 2013 Express Wiring

Several Facts that you should know about 2013 CHEVY EXPRESS IGNITION SWITCH WIRING DIAGRAM.

Understanding the Basics

Understanding the Basics

Before diving into the intricacies, let's grasp the fundamentals. The 2013 Chevy Express ignition switch wiring diagram is your roadmap through a network of wires that ignite the heart of your vehicle. Get ready to explore the very foundation of your Chevy's power system.

Decoding the Colorful Maze

Decoding the Colorful Maze

Colors speak louder than words in the wiring world. Each hue has a unique tale to tell. Our guide will help you interpret the vibrant spectrum, making the color-coded maze of the ignition switch wiring diagram a breeze to navigate.

Step-by-Step Instructions

Step-by-Step Instructions

Let’s break it down. Follow our step-by-step instructions as we guide you through the wiring diagram. From locating the ignition switch to understanding each connection, this section ensures you don't miss a single detail.

Identifying Key Components

Identifying Key Components

Get acquainted with the essential players. We’ll highlight key components, showcasing their roles in the ignition switch wiring system. Knowing your components is crucial for a smooth ride.

Troubleshooting Tips

Troubleshooting Tips

Encountering issues? Fear not! Our troubleshooting tips provide insights into common problems and their solutions. Navigate through challenges with ease and keep your Chevy Express running smoothly.

Safety Precautions

Safety Precautions

Prioritize safety as we embark on this wiring adventure. Learn about the precautions to take, ensuring a secure environment as you delve into the details of your Chevy’s ignition switch wiring.

Upgrading Your System

Upgrading Your System

Ready to enhance your ride? This section explores possibilities for upgrading your ignition switch wiring system. From modern features to improved performance, discover ways to take your Chevy Express to the next level.

Expert Tips for Maintenance

Expert Tips for Maintenance

Preserve the longevity of your Chevy Express by following expert maintenance tips. From routine checks to proactive measures, ensure your ignition switch wiring system stays in top-notch condition for years to come.

Understanding the Basics

Understanding the Basics

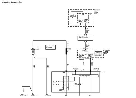
Embarking on the journey of deciphering the 2013 Chevy Express ignition switch wiring diagram is akin to navigating a complex maze of interconnected pathways beneath the hood. At its core, this schematic serves as the architectural blueprint of your vehicle's ignition system, orchestrating the symphony of electrical currents that bring your Chevy Express to life.

Before delving into the intricacies of the diagram, let's establish a foundation. The ignition switch is the linchpin of this electrical network, acting as the gateway for power to flow into various components. This guide will walk you through the essentials, making this seemingly intricate web of wires more comprehensible.

Decoding the Colorful Maze

Decoding the Colorful Maze

As we delve into the intricacies of the 2013 Chevy Express ignition switch wiring diagram, the first aspect that demands attention is the colorful array of wires. Each hue is more than a visual distinction; it carries specific information about its purpose and role within the system. Understanding this color-coded language is essential for anyone aiming to unravel the mysteries of their Chevy's ignition system.

Transitioning from one color to another, each wire tells a unique tale. From power distribution to signal transmission, decoding this chromatic maze will empower you to identify and comprehend the functions of each wire, ultimately demystifying the intricate dance of electricity within your vehicle.

Step-by-Step Instructions

Step-by-Step Instructions

Now that we have a grasp of the fundamentals, let's dive into the step-by-step instructions for deciphering the 2013 Chevy Express ignition switch wiring diagram. Think of this as your roadmap through the electrical landscape of your vehicle, guiding you with precision from one connection to another.

Begin by locating the ignition switch within your Chevy Express. This pivotal component is where the journey through the wiring diagram commences. The step-by-step instructions will provide clarity on each wire's origin, destination, and purpose, ensuring you traverse the diagram with confidence and accuracy.

Identifying Key Components

Identifying Key Components

As we progress through the decoding process, it becomes paramount to identify key components within the ignition switch wiring diagram. Each element plays a crucial role in the overall functionality of the system, contributing to the seamless ignition of your Chevy Express.

From ignition coils to relays and everything in between, this section will shed light on the essential players in the wiring symphony. Understanding the significance of each component equips you with a comprehensive view, allowing you to troubleshoot and maintain your vehicle more effectively.

Troubleshooting Tips

Troubleshooting Tips

No exploration is without its challenges, and the world of wiring diagrams is no exception. This section provides invaluable troubleshooting tips, offering insights into common issues that may arise within the 2013 Chevy Express ignition switch wiring diagram.

Whether you encounter a faulty connection, a misinterpretation of wire colors, or any other hiccup in the electrical journey, our troubleshooting guide will be your ally. Equip yourself with the knowledge to diagnose and resolve issues, ensuring your Chevy Express remains reliable on every journey.

Safety Precautions

Safety Precautions

Prior to delving deeper into the intricacies of the 2013 Chevy Express ignition switch wiring diagram, it is paramount to prioritize safety. This section outlines essential precautions to create a secure environment as you embark on this electrical exploration.

Working with a vehicle's electrical system necessitates a cautious approach. From disconnecting the battery to using insulated tools, incorporating these safety measures ensures your well-being and the integrity of your vehicle throughout the process. Safety first – always.

Upgrading Your System

Upgrading Your System

For those seeking to elevate their Chevy Express to new heights, this section explores the possibilities of upgrading the ignition switch wiring system. Whether it's integrating modern features or enhancing performance, these instructions provide a roadmap for taking your vehicle to the next level.

Unleash your creativity and customize your Chevy Express to suit your preferences. From advanced ignition systems to personalized touches, this guide empowers you to turn your vehicle into a unique reflection of your automotive vision.

Expert Tips for Maintenance

Expert Tips for Maintenance

Preserving the longevity of your Chevy Express requires more than just understanding the wiring diagram – it demands a commitment to regular maintenance. In this final section, we provide expert tips for ensuring the continued efficiency and reliability of your vehicle's ignition switch wiring system.

From routine checks to proactive measures, these maintenance tips serve as a comprehensive guide for keeping your Chevy Express in top-notch condition. By incorporating these practices into your automotive routine, you contribute to the sustained health and performance of your cherished vehicle.

Armed with a deeper understanding of the 2013 Chevy Express ignition switch wiring diagram and the knowledge gained from these instructions, you are now well-equipped to navigate the intricate electrical pathways beneath the hood of your vehicle. May your journeys be filled with smooth ignition, hassle-free troubleshooting, and the joy of a well-maintained Chevy Express.

Another point of view about 2013 CHEVY EXPRESS IGNITION SWITCH WIRING DIAGRAM.

1. Decoding the Electrical Blueprint: In the intricate world of automotive engineering, the 2013 Chevy Express ignition switch wiring diagram stands as a cryptic blueprint, guiding the electrical symphony beneath the hood.

2. Unraveling the Wire Tapestry: Each wire in this diagram tells a story, woven into a colorful tapestry. Deciphering the hues is akin to unlocking the secrets of the vehicle's nervous system.

3. Step-by-Step Exploration: Navigating through the diagram demands a meticulous approach. Step-by-step instructions serve as the guiding path, ensuring a systematic journey from one connection to the next.

4. Identifying Key Components: To comprehend the wiring intricacies fully, one must recognize the starring components. From ignition coils to relays, each element plays a crucial role in the vehicular performance.

5. Troubleshooting Adventures: No journey is without its challenges. Troubleshooting tips become the journalist's toolkit, offering insights into potential roadblocks within the wiring diagram.

6. Prioritizing Safety: Before delving deep into the diagram, safety precautions take center stage. Disconnecting the battery and using insulated tools create a secure environment for exploration.

7. Upgrading Possibilities: For those with a penchant for automotive innovation, the diagram unveils pathways for upgrading the ignition system. From modern features to performance enhancements, customization takes the driver's seat.

8. Maintaining Automotive Health: Beyond understanding the diagram lies the responsibility of maintenance. Expert tips serve as a journalistic guide to preserving the longevity and efficiency of the Chevy Express ignition system.

9. A Personalized Automotive Narrative: Armed with knowledge, enthusiasts can transform their Chevy Express into a personalized automotive narrative. This perspective opens doors to creativity and self-expression.

10. Conclusion: A Roadmap to Automotive Mastery: In conclusion, the 2013 Chevy Express ignition switch wiring diagram serves as a roadmap to automotive mastery. From understanding the basics to exploring advanced customization, this diagram empowers the driver to navigate the complexities of their vehicle's electrical architecture with confidence and expertise.

Conclusion : Unlock the Secrets: 2013 Chevy Express Ignition Switch Wiring Demystified!.

As we reach the end of our journey through the intricacies of the 2013 Chevy Express ignition switch wiring diagram, it's important to reflect on the knowledge gained. Armed with these instructions, the once daunting labyrinth of wires beneath your vehicle's hood transforms into a navigable landscape. Remember, understanding the basics is the cornerstone of automotive empowerment. Each wire, color, and connection tells a story, and with this newfound knowledge, you have the tools to decode the narrative.

So, dear readers, as you embark on your own adventures with the 2013 Chevy Express ignition switch wiring diagram, let this serve as a guide to demystify, troubleshoot, and even customize your vehicle's electrical system. Embrace the role of an automotive detective, decoding the language of wires and harnessing the power of your vehicle's ignition system. Whether you're a seasoned enthusiast or a curious novice, these instructions open the door to a realm of possibilities, ensuring that every twist of the key becomes a confident step into the world of automotive mastery.

Question and answer Unlock the Secrets: 2013 Chevy Express Ignition Switch Wiring Demystified!

Questions & Answer :

Q: Is deciphering the 2013 Chevy Express ignition switch wiring diagram a complex task?

  • A: Not at all! Think of it as embarking on an electrifying adventure. Our step-by-step instructions break down the process, making it a journey of discovery rather than a daunting task.

Q: Why is understanding wire colors important in the diagram?

  • A: Wire colors are the palette of our automotive canvas. Decoding them is like unraveling a vibrant tapestry, revealing the unique role each color plays in the electrical symphony. It's the key to understanding the language of your vehicle's nervous system.

Q: Can I upgrade my Chevy Express ignition system using this diagram?

  • A: Absolutely! Consider the diagram as your roadmap to customization. From modern features to performance enhancements, it's a creative playground for those who want to add a personal touch to their vehicle's ignition system.

Q: Are safety precautions essential when working with the ignition switch wiring diagram?

  • A: Without a doubt! Think of it as gearing up for an exploration. Disconnecting the battery and using insulated tools ensure a secure environment, making your journey through the wiring diagram a safe and enjoyable experience.

Q: How can I troubleshoot issues using the diagram?

  • A: Consider troubleshooting as your detective work. Our guide provides invaluable tips to tackle common issues, transforming challenges into opportunities to showcase your newfound expertise in understanding the Chevy Express wiring system.

Q: What's the significance of identifying key components in the ignition switch wiring diagram?

  • A: It's like meeting the cast of characters in a play. Each component has a crucial role, and identifying them adds depth to your understanding. From ignition coils to relays, they are the stars of the electrical show beneath your hood.

Q: Can this diagram help me with the maintenance of my Chevy Express?

  • A: Absolutely! Consider it your maintenance manual. Expert tips guide you in preserving the health and efficiency of your vehicle's ignition system, ensuring a smooth and reliable ride for miles to come.

Keywords : 2013 CHEVY EXPRESS IGNITION SWITCH WIRING DIAGRAM

0 komentar